Застосування та особливості автомобільного осцилографа
Посилання на сторінку сайту Магазину Gtest(R) з номенклатурою осцилографів, а також рекомендовані прилади та статті для подальшої самоосвіти - наприкінці цього Розділу
Тестування ЕБУ
Осцилографи безцінні для налагодження мікроконтролерів, інтерфейсів, пам'яті та аналогових сигнальних ланцюгів, які складають ЕБУ. Осцилографи використовуються для перевірки шин живлення, вимірювання тактової частоти, спостереження за запуском та усунення проблем із шумом.
В межах ЕБУ зв'язок може здійснюватися за допомогою шин, таких як I 2 C та SPI. Відповідним чином обладнані осцилографи можуть декодувати та запускати ці протоколи.
Сьогоднішні блоки керування включають деякі з тих самих високошвидкісних інтерфейсів, які використовуються в сучасних серверах, таких як PCIe та DDR. Високопродуктивні осцилографи використовуються для перевірки цілісності сигналу цих додатках.

Тестування автомобільних датчиків та виконавчих механізмів
Транспортні засоби залежать від широкого спектру датчиків, двигунів, перемикачів та приводів. Автомобільні осцилографи можуть допомогти інженерам перевірити якість сигналів та часові співвідношення між сигналами. Наявність 4 чи більше каналів забезпечує видимість складніших систем.
Осцилограф змішаних сигналів, оснащений цифровими логічними каналами, може допомогти розробникам перевіряти синхронізацію на 16 та більше перемикачах або виконавчих механізмах одночасно.
Для електромеханічних систем велика довжина запису та режим прокручування корисні для фіксації поведінки системи протягом більш тривалих проміжків часу.

Аналіз потужності автомобіля
Управління електроживленням було складним завданням для поколінь конструкторів транспортних засобів, але оптимізація керування живленням набула нового значення з повсюдною електрифікацією силових агрегатів.
Точні вимірювання потужності за допомогою осцилографа вимагають одночасних вимірювань напруги та струму. Таким чином, надійні датчики напруги та струму з відповідними номіналами та діапазонами мають вирішальне значення.
Трифазні перетворювачі потужності, такі як тягові інвертори електромобілів, вимагають більшої складності, більшої кількості каналів та більшої кількості обчислень.

Автомобільні мережі та послідовні шини
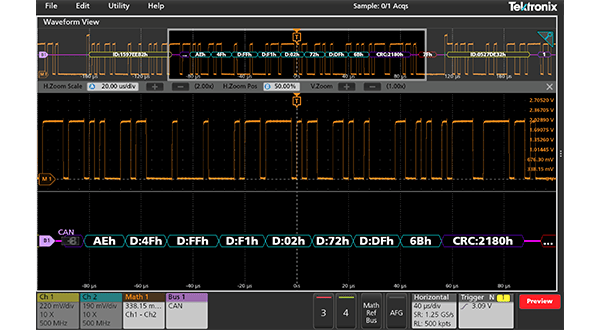
Як у автомобілях із двигуном внутрішнього згоряння, так і в електромобілях цифрові шини, такі як CAN, LIN та FlexRay, використовуються для спрощення джгутів проводів та забезпечення розширених функцій безпеки та зручності. Аналогові виходи датчиків були замінені шинами, такими як SENT та PSI5. Швидкість передачі даних збільшується з мережевими технологіями, такими як автомобільний Ethernet і стандартами CAN і MIPI, що з'являються, щоб забезпечити розширену допомогу водію і складні функції кабіни.
Автомобільні осцилографи дозволяють інженерам декодувати ці протоколи та запускати їх для підтвердження правильного зв'язку та спостереження за синхронізацією між трафіком шини та іншими сигналами. Для високошвидкісних мережевих технологій високопродуктивні осцилографи допомагають розробникам дотримуватись суворих стандартів якості сигналу.

Аналіз електричного шуму та тестування на електромагнітні перешкоди
З перших днів автомобільної промисловості випромінюваний і проведений електричний шум був проблемою для конструкторів. Сучасні транспортні засоби можуть генерувати вир шуму. Перед конструкторами стоїть завдання забезпечити співіснування кількох протоколів бездротового зв'язку, високошвидкісних мереж передачі та високовольтних тягових інверторів.

Переміщення між лабораторією та випробувальним полігоном
Можливість взяти осцилограф у поле може допомогти в тестуванні або усуненні несправностей в умовах водіння. Портативні осцилографи зазвичай важать менше 2 кг (близько 4,5 фунтів) і їх легко переносити і близько транспортних засобів. Наприклад, MSO 2 серії це потужний, але дуже портативний осцилограф, який може працювати від батареї.
Тим не менш, деякі завдання вимагають більшої потужності осцилографа. MSO серій 4, 5 і 6 пропонують діапазон продуктивності, що ідеально підходить для персонального випробувального стенду або лабораторної станції. Всі вони використовують один і той же інтерфейс користувача, що дозволяє інженерам легко справлятися з будь-яким завданням.
Оскільки автомобільні осцилографи повинні виконувати множину вимірювань на ряді пристроїв, їм потрібні кілька типів зондів. Більшість осцилографів поставляються із зондами напруги із заземленням, але для багатьох додатків потрібні диференціальні зонди напруги або зонди струму.

Документування та обмін вимірами
Автоматизація тестування на базі ПК звільняє інженерів від непродуктивної рутинної роботи з тестування, що повторюється. Кошти для документування, обміну та архівування результатів тестування також оптимізують проектування. Деякі автомобільні осцилографи пропонують програмовані інтерфейси, що працюють через USB та LAN.

Як вибрати найкращий автомобільний осцилограф: характеристики, які слід враховувати
При виборі автомобільного осцилографа для потреб розробки електронних систем враховуйте такі характеристики та особливості:
- Смуга пропускання та частота дискретизації: ці характеристики визначають максимальну частоту сигналів, які можна виміряти. Для датчиків температури, електромеханічних перемикачів та приводів відносно низька смуга пропускання прийнятна. Для сигналів усередині ЕБУ рекомендуються смуги пропускання в сотні чи навіть тисячі МГц.
- Кількість каналів: багато вимірів можна виконати з одним або двома каналами, але складніші проблеми легше діагностувати з можливістю більшої кількості сигналів. Осцилографи змішаних сигналів можуть розширити видимість ще більше, додаючи цифрові логічні канали, які можна використовувати для відображення перемикання сигналів, сигналів виконавчих механізмів і шин зв'язку.
- Довжина запису: визначає кількість часу, що осцилограф може захопити для певної частоти дискретизації. Зверніть увагу, що велика довжина запису може означати великий обсяг даних, тому подумайте, як пристрій допоможе вам шукати і аналізувати ці дані.
- Декодування шин: Можливість декодування автомобільних шин, таких як CAN, LIN та FlexRay, має ключове значення для усунення несправностей транспортних систем.
- Аналіз потужності: Електрична потужність має вирішальне значення конструкції більшості транспортних засобів, але ще важливіше для електромобілів. Сучасні осцилографи включають вбудовані можливості аналізу потужності, починаючи від базової математики каналів та закінчуючи аналізом втрат перемикання та аналізом трифазної потужності.
