Применение и особенности автомобильного осциллографа
Ссылка на страничку сайта Магазина Gtest(R) с номенклатурой осциллографов, а также рекомендуемые приборы и статьи для дальнейшего самообразования - в самом конце этого Раздела
Тестирование ЭБУ
Осциллографы бесценны для отладки микроконтроллеров, интерфейсов, памяти и аналоговых сигнальных цепей, которые составляют ЭБУ. Осциллографы используются для проверки шин питания, измерения тактовой частоты, наблюдения за запуском и устранения проблем с шумом.
В пределах ЭБУ связь может осуществляться посредством шин, таких как I 2 C и SPI. Соответствующим образом оборудованные осциллографы могут декодировать и запускать эти протоколы.
Сегодняшние блоки управления включают некоторые из тех же высокоскоростных интерфейсов, которые используются в современных серверах, таких как PCIe и DDR. Высокопроизводительные осциллографы используются для проверки целостности сигнала в этих приложениях.

Тестирование автомобильных датчиков и исполнительных механизмов
Транспортные средства зависят от широкого спектра датчиков, двигателей, переключателей и приводов. Автомобильные осциллографы могут помочь инженерам проверить качество сигналов и временные соотношения между сигналами. Наличие 4 или более каналов обеспечивает видимость более сложных систем.
Осциллограф смешанных сигналов, оснащенный цифровыми логическими каналами, может помочь разработчикам проверять синхронизацию на 16 и более переключателях или исполнительных механизмах одновременно.
Для электромеханических систем большая длина записи и режим прокрутки полезны для фиксации поведения системы в течение более длительных промежутков времени.

Анализ мощности автомобиля
Управление электропитанием было сложной задачей для поколений конструкторов транспортных средств, но оптимизация управления питанием приобрела новое значение с повсеместной электрификацией силовых агрегатов.
Точные измерения мощности с помощью осциллографа требуют одновременных измерений напряжения и тока. Таким образом, надежные датчики напряжения и тока с соответствующими номиналами и диапазонами имеют решающее значение.
Трехфазные преобразователи мощности, такие как тяговые инверторы электромобилей, требуют большей сложности, большего количества каналов и большего количества вычислений.

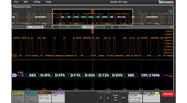
Автомобильные сети и последовательные шины
Как в автомобилях с двигателем внутреннего сгорания, так и в электромобилях цифровые шины, такие как CAN, LIN и FlexRay, используются для упрощения жгутов проводов и обеспечения расширенных функций безопасности и удобства. Аналоговые выходы датчиков были заменены шинами, такими как SENT и PSI5. Скорость передачи данных увеличивается с сетевыми технологиями, такими как автомобильный Ethernet и появляющимися стандартами CAN и MIPI, чтобы обеспечить расширенную помощь водителю и сложные функции кабины.
Автомобильные осциллографы позволяют инженерам декодировать эти протоколы и запускать их для подтверждения правильной связи и наблюдения за синхронизацией между трафиком шины и другими сигналами. Для высокоскоростных сетевых технологий высокопроизводительные осциллографы помогают разработчикам соблюдать строгие стандарты качества сигнала.

Анализ электрического шума и тестирование на электромагнитные помехи
С первых дней автомобильной промышленности излучаемый и проводимый электрический шум представлял собой проблему для конструкторов. Современные транспортные средства могут генерировать водоворот шума. Перед конструкторами стоит задача обеспечить сосуществование нескольких протоколов беспроводной связи, высокоскоростных сетей передачи данных и высоковольтных тяговых инверторов.

Перемещение между лабораторией и испытательным полигоном
Возможность взять осциллограф в поле может помочь в тестировании или устранении неполадок в условиях вождения. Портативные осциллографы обычно весят менее 2 кг (около 4,5 фунтов) и их легко переносить в и около транспортных средств. Например, MSO 2 серии — это мощный, но очень портативный осциллограф, который может работать от батареи.
Тем не менее, некоторые задачи требуют большей мощности осциллографа. MSO серий 4, 5 и 6 предлагают диапазон производительности, идеально подходящий для персонального испытательного стенда или лабораторной станции. Все они используют один и тот же пользовательский интерфейс, что позволяет инженерам легко справляться с любой задачей.
Поскольку автомобильные осциллографы должны выполнять множество измерений на ряде устройств, им требуются несколько типов зондов. Большинство осциллографов поставляются с зондами напряжения с заземлением, но для многих приложений требуются дифференциальные зонды напряжения или зонды тока.

Документирование и обмен измерениями
Автоматизация тестирования на базе ПК освобождает инженеров от непродуктивной, повторяющейся рутинной работы по тестированию. Средства для документирования, обмена и архивирования результатов тестирования также оптимизируют проектирование. Некоторые автомобильные осциллографы предлагают программируемые интерфейсы, работающие через USB и LAN.

Как выбрать лучший автомобильный осциллограф: характеристики, которые следует учитывать
При выборе автомобильного осциллографа для нужд разработки электронных систем учитывайте следующие характеристики и особенности:
- Полоса пропускания и частота дискретизации: эти характеристики определяют максимальную частоту сигналов, которые можно точно измерить. Для датчиков температуры, электромеханических переключателей и приводов относительно низкая полоса пропускания приемлема. Для сигналов внутри ЭБУ рекомендуются полосы пропускания в сотни или даже тысячи МГц.
- Количество каналов: многие измерения можно выполнить с одним или двумя каналами, но более сложные проблемы легче диагностировать с возможностью большего количества сигналов. Осциллографы смешанных сигналов могут расширить видимость еще больше, добавляя цифровые логические каналы, которые можно использовать для отображения сигналов переключения, сигналов исполнительных механизмов и шин связи.
- Длина записи: определяет количество времени, которое осциллограф может захватить для определенной частоты дискретизации. Обратите внимание, что большая длина записи может означать большой объем данных, поэтому подумайте, как прибор поможет вам искать и анализировать эти данные.
- Декодирование шин: Возможность декодирования автомобильных шин, таких как CAN, LIN и FlexRay, имеет ключевое значение для устранения неисправностей транспортных систем.
- Анализ мощности: Электрическая мощность имеет решающее значение в конструкции большинства транспортных средств, но еще важнее для электромобилей. Современные осциллографы включают встроенные возможности анализа мощности, начиная от базовой математики каналов и заканчивая анализом потерь переключения и анализом трехфазной мощности.
