Просте питання, але не всі здатні на нього грамотно відповісти
Посилання на
сторінку сайту Магазину Gtest(R) з номенклатурою мультиметрів, а також
рекомендовані прилади та статті для подальшої самоосвіти - наприкінці цієї
Розділу
Вступний курс для
розуміння сутності джерел струму
Джерела струму менш відомі, ніж джерела напруги, такі як батареї та настінна мережа змінного струму. Джерела струму зазвичай приховані усередині електронних схем. Дізнайтеся, що вони являють собою і як вони влаштовані.
Більшість з нас розуміють, що таке джерела напруги.
Незалежно від того, чи підключаєте ви до розеток лише один пристрій або кілька
пристроїв, напруга залишається незмінною. Коли ви з'єднуєте дві або три батареї
послідовно, ви подвоюєте або потріюєте
напругу.
Виміряти напругу нескладно. Якщо у вас є вольтметр,
встановіть його на потрібну шкалу і вставте два щупи в розетку (звісно,
обережно) або через батарею.
Однак, що таке джерела струму менш відомо. Навіть
деякі технічні фахівці не зовсім розуміють природу струму та не знають, як його
виміряти. Ще менше людей розуміють, що таке джерела струму або навіть навряд чи
знають про їхнє існування. У цій статті давайте швиденько розглянемо основи
струму, перш ніж переходити до джерел струму.
Напруга проти струму
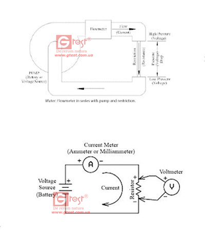
Погляньмо на малюнок 1, на якому електричний струм
порівнюється з потоком води.

Малюнок 1. Потік води аналогічний електричному струму, коли цей потік
гойдається насосом, при цьому зустрічаючи на своєму шляху масу
обмежень/гальмування (вгорі). Мал. Нижче: Джерело живлення (батарея), Вимірювач
струму, Резистор і Замірюваний Напруга. Струм протікає вільно.
Напруга - це тиск, створюваний насосом, а струм - це
витрата. Додавання опору (обмеження) зменшує струм (потік). Якщо ланцюг
розірваний (труба заблокована), напруга (тиск) все одно буде, але не буде
струму (витрати).
Для вимірювання витрати води у трубу послідовно
додають витратомір. Аналогічно вимірювання струму послідовно додають амперметр,
як показано малюнку 2.

Малюнок 2. Для вимірювання струму потрібно, щоб лічильник був
підключений послідовно, а не паралельно.
Зазвичай для підключення «лічильника» ланцюг повинен
бути розірваний (перерізаний провід або розімкнене з'єднання). Це відрізняється
від напруги, яку можна виміряти, просто торкнувшись щупами вимірювача між двома
точками виміру.
Крім того, існують амперметри, які намотуються на
провід і вимірюють струм побічно через вимірювання магнітного поля проводу.
Вони не вимагають розриву ланцюга. Вони аналогічні накладним витратомірам, які
використовують ультразвуковий промінь для вимірювання витрати води.
Джерело струму та джерело
напруги
Далі погляньте на малюнок 3, на якому порівнюються
джерела напруги та струму.

Малюнок 3. Навантаження за напругою підключаються паралельно (а), а
навантаження струмом – послідовно (б). А).Джерела напруги з паралельними
навантаженнями (Лампа, Мотор, Нагрівач). б). Джерело струму, Амперметр, Одна
або Кілька Послідовних Світлодіодів та Двигун Постійного струму
Додавання навантажень паралельно джерелу напруги
збільшує струм, але не змінює напругу, якщо загальний струм не перевищує струм,
здатний забезпечити джерело (генератор або батарея).
У прикладі джерела струму, показаному малюнку 3(б),
навантаження додаються послідовно. Якщо додати додаткові світлодіоди (LED),
опір збільшиться. Якщо двигун зняти (замінити при короткому замиканні),
зміниться напруга, але не струм. Струм залишатиметься постійним, поки загальна
напруга навантаження не перевищить ту, яка може забезпечити джерело струму.
Застосування джерел струму
Схеми джерел струму широко використовуються у
промислових системах управління. Для передачі аналогових вимірів великі
відстані використовується струм, а чи не напруга. Передача струму має переваги
перед сигналами перенапруги. На струм не впливає додаткового опору довгої
проводки. Крім того, електричні сигнали та електромагнітні перешкоди (ЕМП) менш
схильні до впливу на струмові сигнали.
Промислова двопровідна
передача
У промислових додатках зазвичай використовується
сигнал із підвищеним нулем та діапазоном струму від 4 до 20 мА постійного
струму. Сигнал підвищеного нуля означає, що струм 4 мА являє собою нижній
(зазвичай нульовий) кінець діапазону. Верхня межа діапазону струму становить 20
мА. Наприклад, від 4 до 20 мА може відповідати діапазону від 0 до 250 градусів
від кутового датчика. На малюнку 4 показано типову промислову систему зв'язку
зі струмом 4–20 мА.

Малюнок 4. Типова промислова струмова петля 4-20 мА для передачі
вимірювальних сигналів. Передавач процесу (4-20 мА DC), Локальний Індикатор,
Панель Управління, Контролер, Реєстратор Даних
Ще однією перевагою джерел струму є те, що в деяких
системах потужність може передаватися по тих же двох проводах, що і сигнал
струму. Промислові двопровідні датчики регулюють струм у контурі, щоб він був
пропорційний виміряному значенню, і крадуть свою робочу потужність зі струму
контуру.
Джерело струму та драйвери
світлодіодів
Світлодіоди часто живляться від джерел струму. Як
уже говорилося вище, один, два або кілька світлодіодів можна з'єднати
послідовно, і струм не зміниться. Джерелами струму є спеціалізовані мікросхеми
драйверів світлодіодів, а не прості схеми, які ви можете сконструювати
самостійно. Найчастіше для підтримки ефективної роботи при зміні навантажень та
напруги живлення використовують широтно-імпульсну модуляцію (ШІМ). Доступні
багато з них з різними функціями для різних програм.
Джерела струму в
інтегральних схемах
Джерела струму також використовуються у внутрішніх
ланцюгах мікросхем, особливо аналогових схемах. Джерела струму також називають
струмовими дзеркалами. Популярні конструкції струмових дзеркал включають
джерело струму Відлара, назване на честь легендарного розробника аналогових
пристроїв Боба Відлара.
Як спроектувати джерело
струму?
Погляньте на малюнок 5, на якому показана проста
схема джерела струму з одним транзистором.

Малюнок 5. Однотранзисторний джерело струму (сподіваюся, читач зможе самостійно перекласти найпростіші
написи на картинці).
Через падіння напруги база-емітер NPN-транзистора,
напруга емітера приблизно на 0,7 нижче напруги бази (Vb). Струм емітера Ie
дорівнює Ve/R. Струм колектора буде постійним, приблизно рівним Ie, незалежно
від напруги на колекторі. Загалом воно буде приблизно на один відсоток нижче
через невеликий струм, що проходить через базу.
Цю схему іноді називають стоком струму, оскільки
вона споживає струм джерела живлення. Щоб змінити його на джерело, замініть
NPN-транзистор на PNP-транзистор і переверніть схему вгору дном, підключивши
мінусовий висновок до спільного.
Якщо Vb є змінним, Ie та Ic будуть змінюватися
пропорційно. На малюнку 5 також показані два можливі джерела фіксованого
напруги. Той, у якому використовуються два резистори, змінюватиметься при зміні
напруги живлення, викликаючи зміну струму. Джерело Зенера буде залишатися
постійним, незважаючи на зміни напруги живлення.
Прецизійне джерело 4-20 мА
для вимірювання промислових процесів
На рис. 6 додано операційний підсилювач для
створення прецизійного джерела струму 4-20 мА з керованою напругою.

Малюнок 6. Прецизійне джерело 4-20 мА.
Вхідний сигнал 0–1 У постійного струму може бути
посилений вимірювальний сигнал від термопари, тензодатчика або інших
перетворювачів. Два вхідних резистора перетворять його на напругу 0,2-1,0 В,
створюючи вихідне зміщення 4 мА. Зворотний зв’язок операційного підсилювача
утримує вихідний сигнал емітера рівним вхідному 0,2-1,0 В. Резистор 50 Ом
перетворює його на вихідний струм 4-20 мА.
Схема, як показано, буде не зовсім точною через
типові допуски резисторів +/- 1%, зміни напруги живлення 1 В і невелику різницю
між струмами емітера і колектора.
На малюнку 7, з іншого боку, показано практичну
версію, в якій додано регулювання посилення і зміщення, а також
використовується опорна напруга 5 В.

Малюнок 7. Покращена схема 4–20 мА з
точним регулюванням посилення та зміщення.
Для роботи операційного підсилювача не потрібно
більше 5 В. Вихідне джерело живлення 24 В підтримує вихідний опір приблизно до
1100 Ом (22 при 20 мА), але можна використовувати більш низьку напругу при
меншому опорі.
Технічні характеристики ОУ не є критичними.
Максимальна потужність транзистора досягається при малому вихідному опорі: 0,48
Вт (24 при 20 мА) при навантаженні 0 Ом. Його потужність має бути не менше 1
Вт, щоб безпечно витримувати струми, що перевищують 20 мА.
Інші конструкції джерел
струму
Існує кілька інших способів створення джерела
струму. Нижче наведено кілька прикладів, зокрема деякі, докладно описані в
попередніх статтях цього електронного журналу:
• Приклад використання джерела струму MOSFET
(струмового дзеркала FET).
• Приклад використання струмового дзеркала
перехідного транзистора.
• Джерело струму виконано з використанням мікросхеми
стабілізатора напруги.
• Стаття, в якій використовується схема на
операційному підсилювачі для розробки двонаправленого керованого напругою
джерела вихідного струму.
Крім цих статей, ви також можете навести приклад
мікросхеми джерела струму LM134/LM234/LM334, яку можна придбати у кількох
виробників.
Узагальнення розглянутого
матеріалу статті
Підсумовуючи, можна сказати, що джерела струму менш широко вивчені, ніж джерела напруги. Джерела струму генерують струм, який не впливають зміни навантаження. Вони широко використовуються для відправки аналогових сигналів технологічного/вимірювального процесів на великі відстані, для вимірювань, освітлення світлодіодів та у внутрішні схеми мікросхем. У цій статті ми розглянули основи та поділилися кількома різними підходами до схем та застосування джерел струму.
Магазин Gtest® - авторизований постачальник мультиметрів до України: https://gtest.com.ua/izmeritelnye-pribory/multimetry
