Простой вопрос, но не все способны на него грамотно ответить
Ссылка на
страничку сайта Магазина Gtest(R) с номенклатурой мультиметров, а также рекомендуемые приборы и статьи для
дальнейшего самообразования - в самом конце этого Раздела
Вводный
курс для понимания сущности источников тока
Источники тока менее известны, чем источники напряжения, такие как батареи и настенная сеть переменного тока. Источники тока обычно скрыты внутри электронных схем. Узнайте, что они собой представляют и как они устроены.
Большинство из нас понимают, что такое источники напряжения. Независимо от того, подключаете ли вы к розеткам только одно устройство или несколько устройств, напряжение остается неизменным. Когда вы соединяете две или три батареи последовательно, вы удваиваете или утраиваете напряжение.
Измерить напряжение
несложно. Если у вас есть вольтметр, установите его на нужную шкалу и вставьте
два щупа в розетку (конечно, осторожно) или через батарею.
Однако, что такое
источники тока менее известно. Даже некоторые технические специалисты не совсем
понимают природу тока и не знают, как его измерить. Еще меньше людей понимают,
что такое источники тока или даже вряд ли знают об их существовании. В этой
статье давайте быстренько рассмотрим основы природы тока, прежде чем переходить
к источникам тока.
Напряжение
против тока
Давайте посмотрим
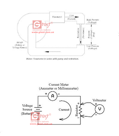
на рисунок 1, на котором электрический ток сравнивается с потоком воды.
Рисунок
1. Поток воды аналогичен электрическому току, когда этот поток качается
насосом, при этом встречая на своём на пути массу ограничений/торможений
(вверху). Рис. Ниже: Источник питания (батарея), Измеритель Тока, Резистор и
Замеряемое Напряжение.Ток протекаает свободно.
Напряжение — это
давление, создаваемое насосом, а ток — это расход. Добавление сопротивления
(ограничения) уменьшает ток (поток). Если цепь разорвана (труба заблокирована),
напряжение (давление) все равно будет, но не будет тока (расхода).
Для измерения
расхода воды в трубу последовательно добавляют расходомер. Аналогично для
измерения тока последовательно добавляют амперметр, как показано на рисунке 2.

Рисунок
2. Для измерения тока требуется, чтобы «счетчик» был подключен последовательно,
а не параллельно.
Обычно для
подключения «счетчика» цепь должна быть разорвана (перерезан провод или
разомкнуто соединение). Это отличается от напряжения, которое можно измерить,
просто прикоснувшись щупами измерителя между двумя точками измерения.
Кроме того,
существуют амперметры, которые наматываются на провод и измеряют ток косвенно,
через измерения магнитного поля провода. Они не требуют разрыва цепи. Они
аналогичны накладным расходомерам, которые используют ультразвуковой луч для
измерения расхода воды.
Источник
тока и источник напряжения
Далее взгляните на
рисунок 3, на котором сравниваются источники напряжения и тока.

Рисунок 3.
Нагрузки по напряжению подключаются параллельно (а), а нагрузки по току –
последовательно (б). А).Источники напряжения с параллельными нагрузками (Лампа,
Мотор, Нагреватель). Б). Источник тока, Амперметр, Одна или Несколько
Последовательных Светодиодов и Мотор Постоянного Тока
Добавление нагрузок
параллельно источнику напряжения увеличивает ток, но не меняет напряжение, если
общий ток не превышает ток, который способен обеспечить источник (генератор или
батарея).
В примере источника
тока, показанном на рисунке 3(б), нагрузки добавляются последовательно. Если
добавить дополнительные светодиоды (LED), сопротивление увеличится. Если
двигатель снять (заменить при коротком замыкании), изменится напряжение, но не
ток. Ток будет оставаться постоянным, пока общее напряжение нагрузки не
превысит то, которое может обеспечить источник тока.
Применение
Источников Тока
Схемы источников
тока широко используются в промышленных системах управления. Для передачи
аналоговых измерений на большие расстояния используется ток, а не напряжение.
Передача тока имеет преимущества перед сигналами перенапряжения. На ток не
влияет добавочное сопротивление длинной проводки. Кроме того, электрические
сигналы и электромагнитные помехи (ЭМП) менее подвержены влиянию на токовые
сигналы.
Промышленная
двухпроводная передача
В промышленных
приложениях обычно используется сигнал с повышенным нулем и диапазоном тока от
4 до 20 мА постоянного тока. Сигнал повышенного нуля означает, что ток 4 мА
представляет собой нижний (обычно нулевой) конец диапазона. Верхний предел
диапазона тока составляет 20 мА. Например, от 4 до 20 мА может соответствовать
диапазону от 0 до 250 градусов от датчика углового положения. На рисунке 4
показана типичная промышленная система связи с током 4–20 мА.

Рисунок
4. Типичная промышленная токовая петля 4–20 мА для передачи измерительных
сигналов. Передатчик процесса (4-20 мА DC) , Локальный Индикатор, Панель
Управления, Контроллер, Регистратор Данных
Еще одним
преимуществом источников тока является то, что в некоторых системах мощность
может передаваться по тем же двум проводам, что и сигнал тока. Промышленные
двухпроводные датчики регулируют ток в контуре, чтобы он был пропорционален
измеренному значению, и «крадут» свою рабочую мощность из тока контура.
Источник
тока и драйверы светодиодов
Светодиоды часто
питаются от источников тока. Как уже говорилось выше, один, два или несколько
светодиодов можно соединить последовательно, и ток не изменится. Источниками
тока обычно являются специализированные микросхемы драйверов светодиодов, а не
простые схемы, которые вы можете сконструировать самостоятельно. Зачастую для
поддержания эффективной работы при изменении нагрузок и напряжений питания
используют широтно-импульсную модуляцию (ШИМ). Доступны многие из них с различными
функциями для разных приложений.
Источники
тока в интегральных схемах
Источники тока
также используются во внутренних цепях микросхем, особенно в аналоговых схемах.
Источники тока также называют токовыми зеркалами. Популярные конструкции
токовых зеркал включают источник тока Видлара, названный в честь легендарного
разработчика аналоговых устройств Боба Видлара.
Как
спроектировать источник тока?
Взгляните на
рисунок 5, на котором показана простая схема источника тока с одним
транзистором.

Рисунок
5. Однотранзисторный источник тока (надеюсь, читатель сумеет самостоятельно перевести
простейшие надписи на картинке).
Из-за падения
напряжения база-эмиттер NPN-транзистора, напряжение эмиттера примерно на 0,7 В
ниже напряжения базы (Vb). Ток эмиттера Ie равен Ve/R. Ток коллектора будет
постоянным, примерно равным Ie, независимо от напряжения на коллекторе. В целом
оно будет примерно на один процент ниже из-за небольшого тока, проходящего
через базу.
Эту схему иногда
называют стоком тока, поскольку она потребляет ток от источника питания. Чтобы
изменить его на источник, замените NPN-транзистор на PNP-транзистор и
переверните схему вверх дном, подключив минусовой вывод к общему.
Если Vb является
переменным, Ie и Ic будут изменяться пропорционально. На рисунке 5 также
показаны два возможных источника фиксированного напряжения. Тот, в котором
используются два резистора, будет меняться при изменении напряжения питания,
вызывая изменение тока. Источник Зенера будет оставаться постоянным, несмотря
на изменения напряжения питания..
Прецизионный
источник 4–20 мА для измерения промышленных процессов
На рис. 6 добавлен
операционный усилитель для создания прецизионного источника тока 4–20 мА с
управляемым напряжением.

Рисунок
6. Прецизионный источник 4–20 мА.
Входной сигнал 0–1
В постоянного тока может представлять собой усиленный измерительный сигнал от
термопары, тензодатчика или других преобразователей. Два входных резистора
преобразуют его в напряжение 0,2–1,0 В, создавая выходное смещение 4 мА.
Обратная связь операционного усилителя удерживает выходной сигнал эмиттера
равным входному 0,2–1,0 В. Резистор 50 Ом преобразует его в выходной ток 4–20
мА.
Схема, как
показано, будет не совсем точной из-за типичных допусков резисторов +/- 1%,
изменения напряжения питания 1 В и небольшой разницы между токами эмиттера и
коллектора.
На рисунке 7, с
другой стороны, показана практическая версия, в которой добавлены регулировки
усиления и смещения, а также используется опорное напряжение 5 В.

Рисунок
7. Улучшенная схема 4–20 мА с точной регулировкой усиления и смещения.
Для работы
операционного усилителя не требуется более 5 В. Выходной источник питания 24 В
поддерживает выходное сопротивление примерно до 1100 Ом (22 В при 20 мА), но
можно использовать более низкое напряжение при меньшем сопротивлении.
Технические
характеристики ОУ не критичны. Максимальная мощность транзистора достигается
при малом выходном сопротивлении: 0,48 Вт (24 В при 20 мА) при нагрузке 0 Ом.
Его мощность должна быть не менее 1 Вт, чтобы безопасно выдерживать токи,
превышающие 20 мА.
Другие
конструкции источников тока
Есть несколько
других способов создания источника тока. Ниже приведены несколько примеров, в
том числе некоторые, подробно описанные в предыдущих статьях настоящего
электронного журнала:
• Пример
использования источника тока MOSFET (токового зеркала FET).
• Пример
использования токового зеркала переходного транзистора.
• Источник тока
выполнен с использованием микросхемы стабилизатора напряжения.
• Статья, в которой
используется схема на операционном усилителе для разработки управляемого
напряжением двунаправленного источника выходного тока.
Помимо этих статей,
вы также можете привести пример микросхемы источника тока LM134/LM234/LM334,
которую можно приобрести у нескольких производителей.
Обобщение
рассмотренного материала статьи
Подводя итог, можно сказать, что источники тока менее широко изучены, чем источники напряжения. Источники тока генерируют ток, на который не влияют изменения нагрузки. Они широко используются для отправки аналоговых сигналов технологического/ измерительного процессов на большие расстояния, для измерений, освещения светодиодов и во внутренние схемы микросхем. В этой статье мы рассмотрели основы и поделились несколькими различными подходами к схемам и применениям источников тока.
Магазин Gtest® - авторизованный поставщик мультиметров в Украину: https://gtest.com.ua/izmeritelnye-pribory/multimetry
