К СВЕДЕНИЮ ПОЛЬЗОВАТЕЛЕЙ ПРИБОРАМИ ДЛЯ ИЗМЕРЕНИЯ ЭЛЕКТРИЧЕСКИХ ВЕЛИЧИН
Ссылка на страничку сайта
Магазина Gtest(R) с номенклатурой Мегомметров,
Тестеров Изоляции, а также рекомендуемые приборы
и статьи для дальнейшего самообразования - в самом конце этого Раздела
Нейтраль на землю
Настоящая статья может
заинтересовать как пользователей
тестеров заземления, мегомметров, так и пользователей кабельных тестеров
и иных приборов для измерения электрических величин
Во-первых, нам нужно развенчать
предположение, присущее этому вопросу, а именно, что нейтраль действительно идет
к земле. Иногда это так, а иногда нет, в зависимости от того, где вы работаете
и над чем вы работаете.
Национальный электротехнический
кодекс (NFPA 70) требует, чтобы нейтраль и земля были соединены на главном
вводе для обслуживания жилых помещений. Перевод на понятный язык: шина
заземления и нейтральная шина в вашей главной панели прочно соединены вместе
(обычно с помощью соединительной перемычки). Это делается в этом и
только в этом месте! Повторное соединение земли и нейтрали в
другом месте в системе создаст параллельные пути заземления, что очень опасно.
Теперь, для того, почему это
требуется в утверждённых Правилах, мы должны немного разобраться в том, для
чего предназначен каждый из них. В стандартной жилой сети 120/240 каждая цепь
будет иметь 3 провода. Фаза, нейтраль и
земля. Глядя на них, легко увидеть, что фаза и нейтраль имеют одинаковый
размер и одинаковую толщину изоляции, в то время как заземляющий провод обычно
представляет собой голую (неизолированную) медь. Это потому, что он
предназначен для чего-то другого.
Фазовый провод — это путь , по
которому ток течет от источника (панели) к нагрузке (скажем так, это розетка).
Нейтральный провод —
это обратный путь для тока от нагрузки. Электричество 101:
электричество создается движением заряженных частиц, и это движение происходит
потому, что несбалансированные электроны чувствуют путь к земле, где
они могут снова стать сбалансированными. В природе все любит быть
сбалансированными. Без обратного пути нет движения электронов и, следовательно,
нет электричества. В однофазной ветви цепи, как в нашем примере, ток на горячем
проводе и нейтрали должен быть одинаковым (если только у нас нет утечки на
землю, что выходит за рамки этой статьи).
Заземляющий провод — это
низкоомный путь между узлами и элементами, которые могут оказаться под
напряжением, но не должны быть (металлические корпуса, медные трубы, стальная
конструкция, спутниковые антенны и т. п.), и нашим заземляющим стержнем,
глубоко вбитым в почву снаружи.
Когда вы прокладываете проводку в
кабелепроводе с использованием металлических коробок, допускается использовать
в качестве заземления сами корпуса кабелепровода и коробки. В домах вы обычно
прокладываете проводку с помощью коробок от различных производителей и
пластиковых коробок, поэтому к каждой розетке необходимо подвести отдельный
заземляющий провод.
Итак, по какой причине мы
соединяем землю и нейтраль? Это для безопасности. Если вы перейдете к своей
главной панели и удалите связь между землей и нейтралью, вы только что создали
систему с плавающей нейтралью, то есть нейтралью, которая не имеет отношения к
заземлению. С другой стороны, теперь у вас есть система, в которой замыкание на
землю (определенный тип короткого замыкания, когда горячий провод касается
чего-то заземленного) не приводит к
срабатыванию выключателя. Звучит довольно здорово, не так ли?! За исключением
того факта, что в вашей системе, когда у вас происходит замыкание на землю, вы
этого не знаете. И все, что заземлено, может быть под
напряжением до уровня напряжения системы. Так что, когда вы моете посуду, а
ваша кошка ходит по мокрой столешнице (столешнице, где также стоит ваш
металлический тостер), зззззаааап идет кошечка. Замените «котёнок» на «малыш»,
и вы поймете, почему NFPA отказалась от этого типа заземления (хотите верьте,
хотите нет, но когда-то давно у них была серьезная дискуссия о преимуществах
заземления и не заземления для жилых помещений).
Раздел 250 NEC подробно
рассматривает заземление и, если вам когда-нибудь понадобится вызвать у себя
головную боль или быстро заснуть, я настоятельно рекомендую его.
Вы можете заметить, что, хотя
NFPA и содержит всевозможную информацию о требованиях к заземлению, они очень
мало говорят о заземлении в системах выше 240 В. И это потому, что когда вы
получаете более 240 В, вы попадаете в инженерные системы, где какой-нибудь
бедный инженер-электрик должен будет проштамповать чертежи проекта и поставить
свою профессиональную жизнь на кон, чтобы его проект заземления был и
безопасным, и эффективным. И действительно, часто можно увидеть разные типы
систем заземления в промышленных и коммерческих установках. Незаземленные,
заземленные через сопротивление и глухо заземленные — все они используются;
иногда все три на одном объекте!
Но для
вас земля и нейтраль соединены на главном входе обслуживания, так что
когда у вас происходит замыкание на землю, вы отключаете выключатель .
Это проблема безопасности, а второстепенная проблема заключается в том, что
неправильно заземленное оборудование может быть
подвержено преждевременному выходу из строя.
Почему
нейтраль соединена с землёй?
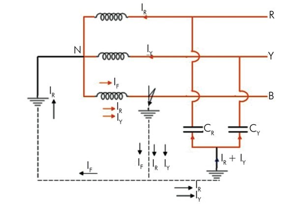
В
незаземленной системе нейтральная точка не заземлена, однако между фазным
проводником и поверхностью земли существует ёмкостная связь.

Во
время неисправности конденсатор заряжается из-за тока неисправности, и
междуфазное напряжение здоровых фаз резко возрастает. Это более высокое
напряжение здоровых фаз может повредить оборудование из-за пробоя изоляции.
Замыкание
на землю на одной линии приводит к появлению полного линейного напряжения во
всей системе, между проводниками и заземленными поверхностями. Таким
образом, на всей изоляции в системе присутствует напряжение в 1,73 раза больше
нормального. Такая ситуация часто может вызывать отказы
трансформаторов из-за пробоя изоляции.
Вышеуказанную
проблему можно смягчить, подключив нейтральный проводник к поверхности земли.
В системе с глухим заземлением нейтральная точка напрямую соединена с землей.

Ток
короткого замыкания находит свой путь от точки короткого замыкания к земле и
нейтрали. Таким образом, напряжение в системе не повышается, когда нейтраль
соединена с землей.
Без
заземления нейтрали, ёмкостная связь может создать высокое напряжение как на
горячем, так и на нейтральном вторичном проводе, достаточно высокое, чтобы
ударить током любого, кто поднимет прибор, и достаточно высокое, чтобы пробить
изоляцию проводов и вызвать пожар. На первичной обмотке трансформатора может
быть 7200 вольт на землю, и вы не хотите, чтобы оно утекло на вторичную
обмотку. Это также снижает риск падения оборванного первичного провода на
вторичный и не перегорания предохранителя.
Иное мнение:
Мы не
подключаем заземление к нейтральному проводу, поскольку нейтральный провод
используется для передачи тока обратно к источнику питания, в то время как
заземляющий провод используется для обеспечения безопасного заземления.
Если бы
нейтральный и заземляющий провода были соединены, это создало бы параллельный
путь для тока, который будет течь обратно к источнику питания. Это могло бы
привести к протеканию тока через заземляющий провод, даже если нет
неисправности. Это может быть опасно, так как это может создать потенциал
напряжения на заземляющем проводе, который может ударить током того, кто к нему
прикоснется.
Кроме
того, если нейтральный провод оборван или поврежден, а нейтральный и
заземляющий провода соединены, это может создать состояние «живой земли». Это
означает, что заземляющий провод окажется под напряжением, и любой, кто к нему
прикоснется, может получить удар током.
Вот
некоторые из конкретных опасностей, связанных с соединением нейтрального и
заземляющего проводов:
- Безопасность : Основной причиной
неиспользования заземления в качестве нейтрального провода является
безопасность. Прямое подключение заземления к нейтральному проводу может
создать опасную ситуацию в случае неисправности или скачка напряжения.
- Электрический шум : Земля не предназначена
для передачи обычных рабочих электрических токов, как нейтральный провод.
Она может улавливать электрические шумы и помехи от различных источников,
таких как удары молнии, радиосигналы или другое электрооборудование.
- Стабильность
напряжения: использование
земли в качестве нейтрального провода может привести к нестабильности
напряжения. Эта стабильность важна для правильной работы электрических
устройств. Земля, с другой стороны, может иметь различные потенциалы
напряжения в разных местах из-за таких факторов, как удельное
сопротивление почвы и другие условия окружающей среды.
- Юридические и нормативные
стандарты :
Электротехнические кодексы и правила, которые существуют для обеспечения
безопасности и согласованности, требуют наличия выделенного нейтрального
провода в электрических цепях. Для безопасного и надежного распределения
электроэнергии необходимо иметь отдельные нейтральные и заземляющие
провода.
- Устройства защитного
отключения (УЗО) :
Устройства защитного отключения, также известные как прерыватели цепи
замыкания на землю, являются устройствами безопасности, которые
контролируют поток электроэнергии и обнаруживают любой дисбаланс между
фазным и нейтральным проводами. Обнаруживая этот дисбаланс, они могут
быстро отключить подачу питания, чтобы предотвратить поражение
электрическим током и пожары.
Подводя итог, можно сказать, что Земля используется в качестве защитного заземления, а не нейтрального провода в электрических системах для обеспечения безопасности, стабильности и соответствия установленным стандартам и нормам. Разделение заземления и нейтрального провода является основополагающим принципом электробезопасности и имеет важное значение для предотвращения электрических опасностей и обеспечения надежной работы электрических систем.
Магазин
Gtest® - официальный поставщик мегомметров в Украину: https://gtest.com.ua/izmeritelnye-pribory/megaommetr
