Пробник – це не просто. Частина 2
Магазин Gtest(R) пропонує широку
номенклатуру Осцилографів та Аналізаторів Спектру на сторінці сайту в самому
кінці цього Розділу, а також рекомендовані прилади та статті для самоосвіти
Осцилографічні пробники. Основи.
Частина 2.
Обмеження по смузі пропускання та часу наростання фронту імпульсів
Смуга пропускання – діапазон частот, під які проектувалися осцилограф та пробник. Наприклад, 100 МГц пробник та осцилограф призначені для здійснення вимірювань у рамках специфікацій на всі частоти до 100 МГц. Небажані або непередбачені режими вимірювання можуть призвести до отримання результатів за межами встановленої смуги пропускання (рис. 1.5)

Рис. 1.5. Пробники та осцилографи розроблені таким чином, щоб здійснювати вимірювання в рамках специфікацій щодо встановленої смуги пропускання. При частотах, що виходять за рамки 3dB, амплітуди сигналів виходять надмірно загасаючими, відповідно одержувані результати вимірювань можуть бути непередбачуваними
Як правило, для здійснення точних вимірювань по амплітуді смуга пропускання осцилографа повинна бути в 5 разів ширше за значення частоти вимірюваного сигналу. Якщо слідувати «Правилу п'яти», то гарантовано забезпечується адекватна ширина смуги пропускання під високочастотні компоненти несинусоїдальних форм сигналів, як квадратичні хвилі. Так само осцилограф повинен мати адекватну характеристику часу наростання фронту імпульсу під вимірювані форми сигналів. Характеристика Часу наростання осцилографа або пробника визначається як час наростання, яке було б виміряно у випадку ідеального імпульсу, що має фронт миттєвого наростання. Для прийнятної точності при вимірах часу наростання або спаду імпульсів, характеристика часу наростання як у пробника, так і осцилографа повинні бути від 3-х до 5-ти разів швидше, ніж у імпульсу, що вимірюється (рис. 1.6)

Рис. 1.6. Помилка при вимірюваннях часу наростання фронту імпульсу може бути виведена з представленої вище діаграми. Комбінація осцилограф/пробник при характеристиці часу наростання в 3 рази більша, ніж у вимірюваного імпульсу (співвідношення 3:1) може призвести до похибки в результатах до 5%. Співвідношення 5:1 знизить цю похибку до 2%.
У випадках, коли час наростання не специфіковано, можна самостійно вивести значення цієї характеристики (Tr) відштовхуючись від смуги пропускання (BW) з допомогою розрахунків: Tr = 0.35/BW.
Кожен осцилограф має чітко встановлені межі по смузі пропускання і часу наростання фронту імпульсу. Так само кожен пробник має власні значення смуги пропускання та часу наростання. А коли пробник підстиковується до осцилографа, виходить вимірювальна система вже з новими характеристиками смуги пропускання і фронтом наростання. На жаль, взаємозв'язок між значеннями смуги пропускання системи та окремо взятими осцилографом та пробником дуже непростий. Так само і щодо значень часу наростання фронту імпульсу. Щоб вирішити ці завдання, виробники високоякісних осцилографів чітко вказують характеристики смуги пропускання або часу наростання фронту імпульсів своїх приладів від кінчиків пробників саме за тих ситуаціях, коли осцилограф безпосередньо задіяний з конкретними моделями тих чи інших пробників. Це дуже важливо, оскільки, як зазначалося, осцилограф і пробник разом формують вимірювальну систему, саме характеристики смуги пропускання і часу наростання фронту імпульсів визначають вимірювальні можливості такий системи. Якщо застосовується пробник, що не входить до переліку рекомендованих для конкретного типу осцилографа, виникає великий ризик отримання недостовірних результатів вимірювань.
Обмеження динамічного діапазону
Всі пробники мають високовольтні межі безпеки, які не повинні бути перевищені. Що стосується пасивних пробників , то ці межі можуть перебувати у значеннях від сотень вольт до тисяч. Проте щодо активних пробників максимально безпечні межі часто не перевищують кілька десятків вольт. Для уникнення нещасних випадків, а також пошкоджень самих пробників, дуже важливо бути обізнаним про значення вимірюваної напруги та її безпечні межі. Крім міркувань безпеки, також є і практичні аспекти, пов'язані з динамічним діапазоном вимірювань. Осцилографи мають діапазони чутливості за амплітудою. Наприклад, характеристика від 1 mV до 10 V/розподіл і є звичайний діапазон чутливості. На дисплеї з 8 поділами це означає, що можна проводити точні вимірювання на сигналах в діапазоні від 4mV до 40 V між пікових значень. Це передбачає застосування дисплея з як мінімум 4 поділками для відображення параметрів амплітуди, що дозволить досягати прийнятної роздільної здатності.
При пробнику 1 Х (одноразовий пробник) динамічний діапазон вимірювань такий же, як і в осцилографа. Що стосується наведеного вище прикладу, це буде діапазон вимірювань сигналу від 4 mV до 40 V. Але що станеться, якщо потрібно вимірювати сигнали, що виходять за межі 40 V діапазону? Тоді виникне необхідність усунення динамічного діапазону осцилографа до вищих значень напруги за допомогою знижувального пробника. Наприклад, 10 Х пробник розширює динамічний діапазон від 40 mV до 400 V. Він робить це через зниження вхідного сигналу на фактор 10, тим самим ефективно помножуючи масштабну сітку осцилографа відповідно на 10. Для більшості застосувань загального призначення, найкращі саме пробники 10 Х, як через те, що вони мають достатній високовольтний діапазон, а також тому, що вони найменше навантажують джерело сигналів. Однак якщо плануються вимірювання дуже широкого діапазону за рівнями напруги, то можна розглянути варіанти застосування 1 Х/10 Х пробників, що перемикаються. Таке рішення забезпечує динамічний діапазон від 4 mV до 400 V. Однак у режимі 1 Х більше уваги слід приділяти щодо навантаження джерело сигналів.
![]() | ![]() |
Навантаження на джерело сигналів
Як згадувалося раніше, пробник повинен відтягувати деяку кількість струму від сигналу для того, щоб створити напругу, що відповідає величині сигналу на вході осцилографа. Такий процес накладає навантаження в точці тестування, що може призвести до змін характеристик сигналу якого ланцюг або джерело направляють на цю точку.
А) Ланцюг постійного струму з навантаженням 100 кΩ |
Б) Той самий ланцюг DC з навантаженням пробника, доданого паралельно |
Рис. 1.7а та рис. 1.7б Приклади резистивного навантаження
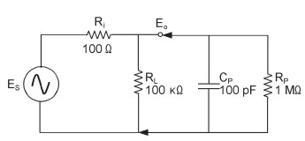
Найпростішим прикладом навантаження на джерело сигналу можуть стати вимірювання резистивної мережі від батарейного живлення. Це показано на рисунках 1.7. На рис. 1.7а видно, що до того, як пробник був підстикований, напруга постійного струму розподіляється вздовж внутрішнього опору батареї (Rj) і навантаження опору (Ri), яке батарея приводить в дію. Для значень, представлених на діаграмі, результати вихідної напруги будуть такими:
Eo = Eb * Rj/(Rj + Ri) = 100 V * 100,000/(100 + 100,000) = 10,000,000 V/100,100 = 99.9 V
На малюнку 1.7б пробник був підстикований до ланцюга, привносячи опір (Rp) паралельно Rj. Якщо Rp становить 100 kΩ, то реальне резистивне навантаження згідно з рис. 1.7б розділиться навпіл, до 50 KΩ.
Навантажувальний ефект складе:
Eo = 100 V * 50,000/(100 + 50,000) = 5,000,000 V/50,100 = 99.8 V
Така навантажувальна дія в 99.9 проти 99.8 становить лише 0.1% і в більшості застосувань просто мізерно за своїм впливом. Однак якщо значення Rp було б меншим, скажімо 10 kΩ, то така дія вже складно назвати «нікчемною». Для мінімізації такого резистивного навантаження, пробники 1 Х зазвичай мають опір в 1 МΩ, а пробники 10 Х відповідно 10 МΩ. Найчастіше ці значення призводять взагалі до відсутності резистивної навантаження як такої. Проте, деяке навантаження слід очікувати навіть за вимірювання джерел сигналів з високим опором.
Дуже часто саме те навантаження викликає найбільше занепокоєння, яке викликане ємністю, що присутня на кінчику пробника (див. рис. 1.8). При низьких частотах ємність має реактивний опір, який дуже високий, тому згаданий вище вплив або дуже невеликий, або відсутній зовсім. Але в міру підвищення частоти ємнісний реактивний опір знижується. Як результат: підвищене навантаження за високих частот.

Рис. 1.8. При джерелах сигналів змінного струму, ємнісний опір на кінчиках пробників (Cp) є найбільшою проблемою навантаження. У міру підвищення частоти сигналів, ємнісний реактивний опір (Xc) знижується, викликаючи перетікання сигналу через конденсатор.

Рис. 1.9 . Індуктивність заземлювальних висновків.
Заземлюючі висновки пробника додають індуктивність ланцюга. Чим довше заземлюючий висновок, тим вища індуктивність і вища ймовірність побачити процес загасання на швидких сигналах
Ємнісне навантаження впливає на смугу пропускання та час наростання фронту імпульсу вимірювальної системи (осцилограф + пробник) через скорочення першої характеристики та підвищення другої. Ємнісне навантаження може бути мінімізовано за допомогою підбору пробників з низькими значеннями ємнісного опору на кінчиках. Деякі значення ємнісного опору різних пробників представлені на таблиці внизу:
Пробник | Знижувальний фактор | Опір | Ємність |
P6101B | 1 X | 1 Mx | 100 pF |
P6106A | 100 X | 10 Mx | 11 pF |
P6139A | 10 X | 10 Mx | 8 pF |
P6139A | 10 X | 1 Mx | 1 pF |
Оскільки заземлюючий висновок є дріт, він має кілька розподіленої індуктивності (див. рис. 1.9). Ця індуктивність взаємодіє з ємнісним опором пробника для виклику явища загасаючого коливання при певній частоті, що визначається значеннями L і С. Ці затухаючі коливання неминучі, і можуть бути видимі як синусоїди з амплітудою, що слабшає, що відображається на тестованих. Ефект загасаючих коливань може бути знижений за допомогою застосування заземлення пробника, таким чином, що затухаюча частота має місце поза межами смуги пропускання системи пробник/осцилограф.
Для уникнення проблем із заземленням, завжди рекомендується застосовувати найкоротший заземлюючий висновок, який є у пробника. Застосування інших засобів заземлення може призвести до виникнення загасаючих коливань на вимірюваних імпульсах.

Пробники та сенсори
При зіткненні з реаліями осцилографічних пробників, дуже важливо пам'ятати, що пробники за своєю суттю не що інше як сенсори. Більшість осцилографічних пробників це датчики напруги. Тому ці пристрої виявляють (вимірюють) або пробують певну величину напруги, після чого спрямовують сигнал напруги вхідний каскад осцилографа. Однак є також такі пробники, які дозволяють вимірювати й інші феномени, не тільки сигнали напруги.

Рис. 1.10 Налаштування компенсації пробника здійснюються або на головці пробника, або на пристрої компенсації, коли пристрій прикріплюється до вхідного каналу осцилографа
Наприклад, струмові пробники призначені для вимірювання струму, що протікає по дроту. Пробник конвертує вимірюваний струм відповідний сигнал напруги, який потім передається на вхідний роз'єм осцилографа. Так само оптичні пробники вимірюють потужність світлового потоку і перетворюють його на сигнал напруги для наступних вимірювань на осцилографі. Крім того, осцилографічні пробники напруги можуть застосовуватися з безліччю інших сенсорів або перетворювачів для аналізу різноманітних феноменів. Перетворювач вібрації, наприклад, дозволяє вивчати характеристики машинної вібрації, представлені на екрані осцилографа, при цьому наявних можливостей для цього рівно стільки, скільки існує перетворювачів «вібрація – напруга». Слід пам'ятати, що у всіх випадках комбінація «перетворювач, пробник, осцилограф» має розглядатися як єдина система вимірювання. Понад те, реалії пробників, що обговорювалося вище, також поширюються і перетворювачі. Перетворювачі мають смугу пропускання, крім того, можуть також викликати ефект навантаження.
![]() |
|
Підказки щодо пробників
Правильна добірка пробників, що відповідають конкретній моделі осцилографа та певним додаткам, надає можливості для успішної реалізації конкретних завдань вимірювань. Насправді здійснення вимірювань і отримання потрібних результатів залежить від того, наскільки правильно експлуатується тестовий інструментарій. Наведені нижче підказки щодо пробників допоможуть уникнути часто поширених помилок і пасток, у які потрапляють користувачі.
Компенсація пробників
Більшість пробників зроблено так, що узгоджуються з вхідними роз'ємами більшості моделей осцилографів. Тим не менш, мають місце невеликі відмінності у певних модельних рядів осцилографів і навіть серед різних каналів входу на тому самому осцилографі. Для того, щоб справлятися з цими явищами, більшість пробників, особливо це стосується пробників, що понижують (10 Х і 100 Х), мають вбудовані компенсаційні ланцюги. Якщо ваш пробник має такий ланцюг, його необхідно налаштувати для компенсації пробника щодо каналу осцилографа, який в даний момент задіяний. Для цієї мети необхідно слідувати наступній процедурі:
- З'єднайте пробник з осцилографом
- Підключіть кінчик пробника до тестової точки компенсації пробника на передній панелі осцилографа (див. рис. 1.10)
- Використовуйте регулювальний інструментарій, що поставляється з пробником або інший пристрій, що не намагнічує, для налаштування компенсаційного ланцюга та отримання екранного зображення форми сигналу калібрування з плоскими верхніми краями без викидів або закруглень (див. малюнки 1.11)
- Якщо ваш осцилограф має якусь вбудовану процедуру калібрування, то реалізуйте цю процедуру з метою підвищення точності
Не компенсований пробник може призвести до цілого ряду помилкових результатів при вимірюваннях, особливо це стосується таких характеристик як швидкість наростання та падіння фронтів імпульсу. Для уникнення такого роду явищ завжди проводьте процедуру компенсації пробника відразу після підстикування його до осцилографа, після чого не лінуйтеся періодично перевіряти вже досягнуті параметри компенсації.

Рис. 1.11а Надмірна компенсація Мал. 1.11b Недостатня компенсація Мал. 1.11с Правильна компенсація
Рисунки 1.11a, 1.11b, 1.11c Приклади результатів різних компенсацій пробника, що відображаються на хвилі компенсації

Рис.1.12а Безпосередній контакт із кінчиком пробника Рис.1.12b Дводюймовий провід на кінчику пробника
Рисунки 1.12a, 1.12b Навіть короткий шматочок дроту, припаяний до точки тестування пробника, може викликати спотворення при відтворенні вимірюваного сигналу на екрані осцилографа

Рис.1.13а 6.5 дюймовий заземлювальний вивід пробника Рис.1.13b 28 дюймовий заземлювальний висновок, прикріплений до пробника
Рисунки 1.13а та 1.13b Подовження заземлювальних висновків пробника може призвести до появи ефекту загасаючих коливань на вимірюваних імпульсах
Також розумно перевірятиме параметри компенсації пробника при кожній зміні адаптерів його на кінчику.
Застосовуйте відповідні адаптери на кінчику пробників там, де це можливо
Адаптери для кінчиків пробників призначені для певного типу тестованих ланцюгів з метою швидкого, зручного та електрично надійного з'єднання. На жаль, не доводиться бачити коротеньких висновків дроту, припаяного до окремих ділянок електричного ланцюга, які могли б послужити заміною адаптерів пробників. Проблема полягає в тому, що навіть пара дюймів додаткового дроту може викликати значні зміни в імпедансі при високих частотах сигналу, що вимірюється. Такі явища представлені на малюнках 1.12, коли ланцюг вимірюється через прямий контакт з кінчиком пробника, після чого такі ж вимірювання здійснюються через коротку ділянку дроту між ланцюгом і кінчиком пробника.
Використовуйте якомога короткі та якомога прямі заземлюючі висновки
При проведенні тестів на продуктивність або при налагодженні несправностей великих плат або систем, може виникнути спокуса подовжити заземлювальні висновки пробника. Подовжений заземлювальний висновок дозволяє відразу приєднатися до ділянки заземлення і вільно переміщати пробник по всій площі системи тестування по ходу пошуку точок тестування. Однак додана індуктивність за рахунок подовженого заземлювального виводу може викликати феномен коливання, що загасає, на формах сигналів зі швидкими перехідними характеристиками. Ці явища показані на рисунках 1.13, де ілюструються режими вимірювань форм сигналів, що здійснюються з використанням стандартного виводу заземлюючого пробника і подовженого.
Висновки
Завершився перший розділ із публікованого циклу матеріалів про осцилографічних пробників, де була зроблена спроба надати основну інформацію, необхідну для здійснення правильного вибору пробників і найбільш ефективного їх використання. У наступних розділах будуть публікуватися більш розгорнуті відомості про різні типи пробників та технології їх застосування.
Далі буде...
Магазин Gtest® - авторизований постачальник осцилографів в Україну: https://gtest.com.ua/izmeritelnye-pribory/ostcillografy






