Розробка пірометра, що вимірює справжнє температурне поле двовимірної решітки ЧАСТИНА 1
Посилання на сторінку сайту Магазину Gtest(R) з
номенклатурою пірометрів (ІК термометрів), а також рекомендовані прилади та
статті для подальшої самоосвіти - наприкінці цієї Розділу
Загальне
У статті обговорюється двомірний пірометр з матрицею, який може вимірювати справжнє температурне поле двовимірного масиву. Пірометр складається з оптичної частини, схемної частини та програмної частини. В оптичній частині енергія випромінювання двовимірної мішені масиву виходить шляхом сканування обертовим дзеркалом. Потім сигнал випромінювання перетворюється та посилюється схемною частиною. Програмний компонент реалізує функції калібрування пірометра, отримання сигналу та обробки даних. Обробка даних використовує вторинний метод вимірювання для розрахунку істинної температури та використовує багатопотоковий метод для підвищення ефективності роботи. Експерименти показують, що невизначеність двовимірного масиву пірометра може досягати 143%. Порівняно з однопоточним методом справжній час роботи двомірного масиву пірометра покращується на 77%, що підтверджує, що ефективність роботи програмного забезпечення значно покращується.
Радіаційна термометрія [1, 2, 3] часто використовує багатохвильовий пірометр (MWP) [4, 5, 6] для подолання обмежень, пов'язаних з невідомою випромінювальною здатністю традиційних одноколірних пірометрів і постійною випромінювальною здатністю в залежності від довжини хвилі для двоколірних піро 8]. Багатохвильовий пірометр може отримати справжню температуру мети без інформації про випромінювальну здатність, використовуючи принцип багатохвильової радіаційної термометрії [9]. Гарднер та ін. розробили шестихвильовий пірометр з матрицями фільтрів для додатків плавлення металів [10]. Хієрно та ін. розробили шестиколірний пірометр з волоконно-оптичним джгутом [11]. Радоускі і Мітчел розробили ультрафіолетовий пірометр для вимірювання ударних температур з напівпрозорим і напіввідбиваючим дзеркалом в 1989 [12]. Левендіс та ін. розробили триколірний пірометр, який використовував одну видиму і дві ближні інфрачервоні довжини хвиль для вимірювання температури поверхні вуглецевих частинок, що горять [ 13 ]. Нг та Фралік досліджували багатохвильовий пірометр зі спектрометром для вимірювання істинної температури прозорих речовин та газоподібних продуктів згоряння [14]. У 2017 році Мей та ін. розробили багатохвильовий пірометр далекої дії [15], який помістив ядро приладу на відстані 100 м від зонда.
Сучасні багатохвильові радіаційні пірометри [16, 17] розроблені для одноточкових або багатоточкових цілей. У цій статті розробляється багатохвильовий радіаційний пірометр, який можна використовувати для вимірювання температурного поля справжнього двовимірного масиву. Він складається з оптичної частини, схемної частини та програмної частини. В оптичній частині дані двовимірного масиву досягаються шляхом об'єднання поздовжнього сканування обертовим дзеркалом з методом поперечних багатоцільових точок. Таким чином, ресурси апаратного простору економляться, а процес збору даних спрощується одночасно, ілюструючи, що апаратні ресурси та швидкість вимірювання враховуються. Схемна частина включає схему перетворення I/V, схему посилення V/V і карту збору даних. Схема перетворення I/V використовує AD820 для перетворення сигналу сигнал напруги. Схема посилення V/V використовує OP07 посилення сигналу напруги. Нарешті, пірометр використовує карту збору даних USB5630 для отримання сигналу напруги, щоб реалізувати інформаційну взаємодію між апаратною схемою та верхнім комп'ютером. Програмна частина скомпільована з використанням Visual Studio як середовище розробки та з використанням C# як мови, в основному включаючи функції калібрування пірометра, збору даних та обробки даних. Обробка даних використовує вторинний метод вимірювання розрахунку справжніх температур [ 18 ] і використовує багатопоточний метод підвищення ефективності роботи.
Після розробки пірометра в цій роботі проводиться аналіз невизначеності та експеримент з вимірювання істинної температури двовимірної матриці, і зрештою виходить невизначеність двовимірного матричного пірометра.
2. Принципи виміру
Згідно з посиланням [18], блок-схема методу вторинних вимірів представлена малюнку 1.

Малюнок 1. Блок-схема методу вторинних вимірів (сподіваємося, що чи самостійно переведе тексти у межах, чи зробить це через Інтернет-ресурси).
Принципи вимірювання такі [18]:


На основі наведених вище формул можна отримати оптимальне вирішення дійсних температур.
3. Конструкція пірометра
Структурна схема та фізичне зображення двовимірного матричного пірометра показані на Малюнку 2 та Малюнку 3 відповідно. Пірометр в основному складається з оптичної частини, схемної частини та програмної частини. Енергія випромінювання мети спочатку передаватиметься дзеркалу оптичної частини, що обертається. Оптична частина використовує десять розташованих поруч оптичних волокон для передачі випромінюваного сигналу мети. Схемна частина отримує сигнали від оптичної частини для перетворення та посилення сигналу, а потім використовує карту збору даних USB5630 для збору даних. Нарешті, USB5630 передає дані на ПК для зберігання, обробки та відображення. Пірометр має діапазон вимірювання температури 1100-3000 К, діапазон спектру вимірювання 0,525-0,980 мкм та швидкість збору даних по одному каналу 100 кГц.

Малюнок 2. Структурна схема двовимірного матричного пірометра.

Малюнок 3. Фізичне зображення двовимірного матричного пірометра: (а) передня частина та (б) задня частина.
3.1 Конструкція оптичної частини
В оптичній частині апаратні ресурси будуть заощаджені, але швидкість вимірювання буде серйозно знижена, якщо буде прийнята схема сканування однієї точки, тоді як швидкість вимірювання буде збільшена, але вимоги до апаратних ресурсів будуть занадто великими, якщо буде прийнята схема сканування. Таким чином, функція збору даних двомірного пірометра масиву реалізується шляхом взаємодії поздовжнього сканування обертовим дзеркалом і методу поперечних багатоцільових точок. Цільова інформація двовимірного масиву складається з десяти одномірних поперечних цільових точок, розташованих поруч (чорні плями на малюнку 2 ), і дзеркала, що обертається, що змінює поздовжнє положення, щоб оптимізувати швидкість вимірювання і використання апаратних ресурсів.
3.1.1
Енергія випромінювання мішені спочатку передається обертовому дзеркалу. Структурна принципова схема обертового дзеркала показано малюнку 4 , а фізична фігура показано малюнку 5 .

Малюнок 4. Структурна схема дзеркала, що обертається.

Малюнок 5. Фізична схема дзеркала, що обертається.
Двигун рухає двостороннє дзеркало, обертаючись за годинниковою стрілкою через конвеєрну стрічку, і реалізує функцію поздовжнього сканування мети за допомогою обертання дзеркала. Модель двигуна – WS2845-24-250-1, а швидкість – 25 000 об/хв. Окуляр над дзеркалом, що обертається, використовується для фокусування і точного спостереження.
3.1.2 Оптичне волокно та фільтр
Енергія випромінювання мети потрапляє в область прийому світла оптоволоконного зонда після проходження через дзеркало, що обертається, об'єктив і растр. Область прийому світла розділена на 10 цілей, і є 10 каналів пучків оптоволокна, підключених позаду оптоволоконного зонда передачі енергії випромінювання під різні цілі. Відповідно, 6-пучкові оптоволокна підключені до кожного каналу для розподілу енергії випромінювання кожного каналу на шість каналів, і шість каналів енергії випромінювання відповідно оснащені фільтрами різних ефективних довжин хвиль для отримання інформації про енергію на певних довжинах хвиль. Принципова схема структури передачі оптоволокна з 10 каналами на 60 каналів показано малюнку 6. Ефективні довжини хвиль кожного каналу показані таблиці 1 .

Малюнок 6. Принципова схема структури передачі оптичного волокна.
Таблиця 1. Ефективна довжина хвилі кожного каналу. (https://www.mdpi.com/2076-3417/10/8/2888#:~:text=Table%201.,0.980)
3.2 Проектування частини схеми
Функція частини схеми полягає у перетворенні енергії випромінювання, отриманої оптичною частиною, сигнал напруги. Після проходження через оптоволокно та фільтр сигнал енергії надходить у фотоелектричний детектор, а потім використовує схему перетворення I/V та схему посилення V/V для посилення сигналу. Нарешті пірометр використовує високошвидкісну систему збору даних для збору даних. Конструкція частини схеми показана малюнку 7 .

Малюнок 7. Конструкція частини схеми.
3.2.1.Матрична фотоелектрична детекторна система
Фотоелектричний детектор використовує матрицю кремнієвих фотоелектричних детекторів. Кожен канал 60-канального оптичного волокна з'єднаний з одним кремнієвим фотодіодом позаду, тобто. всього використовується 60 кремнієвих фотоелектричних детекторів. Модель кремнієвого фотоелектричного детектора - S1336-5BK, із спектральним діапазоном чутливості 0,320-1,100 μм. Залежність фоточутливості від довжини хвилі S1336-5BK показана малюнку 8 [ 19 ].

Малюнок 8. Залежність фоточутливості від довжини хвилі S1336-5BK.
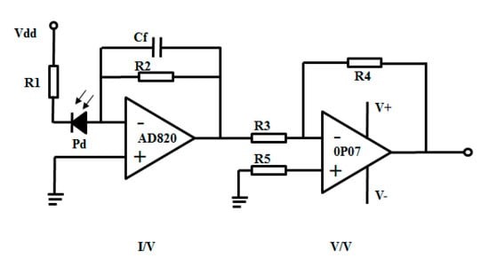
3.2.2 Схема перетворення I/V та схема посилення V/V
Структурна схема схеми перетворення I/V і схеми посилення V/V показана малюнку 9. Діапазон вибору опору зворотного зв'язку R2 схеми перетворення I/V становить 1–10 МОм, а діапазон вибору ємності зворотного зв'язку Cf становить 1–10 пФ. Вибрана модель операційного підсилювача схеми перетворення I/V - AD820. Схема посилення V/V у 10 разів побудована після схеми перетворення I/V, а обрана модель операційного підсилювача схеми посилення V/V - OP07.

Малюнок 9. Структурна схема схеми перетворення I/V та схеми посилення V/V.
ДАЛІ БУДЕ...
