Пам'ятайте, що вимірювання RMS неточні.
Посилання на
сторінку сайту Магазину Gtest(R) з номенклатурою мультиметрів, а також
рекомендовані прилади та статті для подальшої самоосвіти - наприкінці цієї
Розділу
Середньоквадратичне значення напруги або струму, що залежить від часу, засноване на простій концепції рівності потужності, що розсіюється; проте його теоретичний розрахунок чи реалізація на приладі може бути непростими. У Довідковому документі 1 пояснюються принципи вимірювань середньоквадратичного значення та порівнюються характеристики 20 цифрових мультиметрів (DMM). Результати тривожні. Багато приладів показують нижчі середньоквадратичні значення, ніж очікувалося; для деяких приладів цифри становлять майже половину від того, якими вони мають бути.
Через двадцять років пастки вимірювань RMS все ще існують. Технології зробили великий крок уперед, і більшість людей довіряють показанням своїх мультиметрів True-RMS та інструментів моделювання без перевірки. Проте важливі деталі. Мета цієї статті – підвищити обізнаність про вимірювання RMS.
Загальна формула для розрахунку середньоквадратичного значення сигналу:

Середньоквадратичне значення напруги або струму, що залежить від часу, засноване на простій концепції рівності потужності, що розсіюється; проте його теоретичний розрахунок чи реалізація на приладі може бути непростими. У Довідковому документі 1 пояснюються принципи вимірювань середньоквадратичного значення та порівнюються характеристики 20 цифрових мультиметрів (DMM). Результати тривожні. Багато приладів показують нижчі середньоквадратичні значення, ніж очікувалося; для деяких приладів цифри становлять майже половину від того, якими вони мають бути.
Через двадцять років пастки вимірювань RMS все ще існують. Технології зробили великий крок уперед, і більшість людей довіряють показанням своїх мультиметрів True-RMS та інструментів моделювання без перевірки. Проте важливі деталі. Мета цієї статті – підвищити обізнаність про вимірювання RMS.
Загальна формула для розрахунку середньоквадратичного значення сигналу:
Розрахунок складається з трьох етапів: зведення у квадрат сигналу змінного струму, знаходження середнього (також середнього або постійного) значення квадрата сигналу та вилучення квадратного кореня із середнього значення, звідси і назва – середньоквадратичне значення.
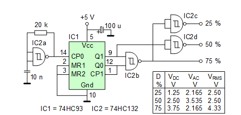
Найпростіший спосіб перевірити, чи виконує прилад правильну роботу, — подати на нього прямокутний сигнал, оскільки вихідний сигнал, що очікується, можна розрахувати за допомогою простого графічного аналізу. На малюнку 1 показаний приклад з однополярним сигналом 5 В. Нагадаємо, що розрахунок середнього значення перетворює залежний від часу сигнал прямокутник, який охоплює весь період сигналу і має ту ж площу, що і площа під сигналом; висота прямокутника – це середнє значення. Через війну ми отримуємо середньоквадратичне значення 3,535 V.

Малюнок 1. Графічний розрахунок середньоквадратичного значення.
Давайте перевіримо, чи видає обладнання той самий результат: Малюнок 2 показує роботу інструменту моделювання. Прямокутний сигнал підключений до вольтметра постійного струму зліва та зонда та вольтметра змінного струму праворуч. Значення постійного струму правильне (будьте обережні, оскільки це значення постійного струму на вході, а чи не квадрат вхідного сигналу), среднеквадратичное значення, сообщаемое зондом, правильно; однак показання вольтметра змінного струму набагато нижче за очікування.




Магазин Gtest® - авторизований постачальник мультиметрів до України: https://gtest.com.ua/izmeritelnye-pribory/multimetry
Магазин Gtest® - авторизований постачальник
осцилографів в Україну: https://gtest.com.ua/izmeritelnye-pribory/ostcillografy
Постачання зі складу та на замовлення
