SAFT LSH20STD литиевая батарея 3,6В; D
Литиевые (Li-SOCl2) элемены питания SAFT LSH20STD благодяря инновационным техническим решениям обладают выдающимися энергетическими характеристиками в широком диапазоне температур окружающей среды. Литиевые батареи серии LS первоначально разрабатывались для специальных целей, но в настоящее время используются во многих областях техники, в том числе в качестве источников питания бортового радиооборудования.
К уникальным особенностям батареи SAFT LSH20STD относят также сохранение ёмкости в течение 20+ лет (саморазряд при 20 °С составляет только 1,4% в год для элементов серий LS).
Купить SAFT LSH20STD можете сделав заказ по телефону, либо оформив его покупку через корзину в нашем интернет-магазине, нажав кнопку "Купить".
ПРЕИМУЩЕСТВА литиевой батареи SAFT LSH20STD:
• Высокая удельная мощность
• Самые малый ток саморазряда
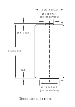
• Широкий диапазон рабочих температур: -60°C до 85°C
• LS элементы соответствуют стандарту IEC60079-11
• Пожаробезопасность
• Отличная сопротивляемость коррозии.
Детальная техническая информация SAFT LSH20 (eng. *.pdf)
| серия ENERGY | серия POWER | высокотемпературные | |||||||||||
| Модель | LS14250 | LS14500 | LS17330 | LS17500 | LS26500 | LS33600 | LSH14 light | LSH14 | LSH20 | LSH20-HTC | LSH20-150 | ||
| Тип батареи | 1/2AA | AA | 2/3 AA | A | C | D | C | C | D | D | D | ||
| Номинальное напряжение | 3,6 В | 3,6 В | 3,6 В | 3,6 В | 3,6 В | 3,6 В | 3,6 В | 3,6 В | 3,6 В | 3,6 В | 3,6 В | ||
| Номинальная ёмкость | 1,20 Ач | 2,60 Ач | 2,60 Ач | 3,60 Ач | 7,70 Ач | 17,0 Ач | 3,60 Ач | 5,80 Ач | 13,0 Ач | 11,0 Ач | 14,0 Ач | ||
| Номинальный ток разряда | 1 мА | 2 мА | 3 мА | 3 мА | 4 мА | 5 мА | 15 мА | 15 мА | |||||
| Макс. ток разряда | 35 мА | 50 мА | 25 мА | 100 мА | 150 мА | 250 мА | 1,30 А | 1,30 А | 1,80 А | 1,00 А | 300 мА | ||
| Макс. импульсный ток разряда | 0,10 А | 0,25 А | 0,12 А | 0,25 А | 0,3 А | 0,4 А | 2,0 А | 2,0 А | 4,0 А | 3,0 А | 0,5 А | ||
| Масса, грамм | 8,9 | 16,7 | 14,4 | 21,9 | 48 | 90 | 51 | 51 | 100 | 100 | 104,5 | ||
| Рабочая температура | -60º / +85ºС | -60º / +85ºС | -60º / +85ºС | -60º / +85ºС | -60º / +85ºС | -60º / +85ºС | -60º / +85ºС | -60º / +85ºС | -60º / +85ºС | -60º / +85ºС | -40º / +150ºС | ||




Варианты написания: литиевая батарея SAFT LSH20
Если представленная информация не содержит ответа на Ваши вопросы, просьба обратится к нашему техническому специалисту по указанным выше телефонам.
пробники
Элементы питания
Известный мировой бренд в области разработки и производства контрольно-измерительного инструментария – Компания Siglent Technologies объявила о доступности заказов на Генератор произвольных форм си.. →
ОКОНЧАНИЕ. Начало Часть 1 Шаг 1: Соберите необходимое оборудованиеПеред началом процесса калибровки убедитесь, что у ва.. →
Для калибровки мультиметра необходимо сравнить его показания с эталонным стандартом, точность которого как минимум в четыре раза выше, чем у самого мультиметра. После ознакомления с инструкцией произв.. →
Будущее мультиметров будет связано с более широкими возможностями подключения, интеллектуальностью и точностью. Усовершенствования будут включать в себя внедрение интеллектуальных мультиметров с беспр.. →
