Приладобудування покладає на себе відповідальність при проектуванні та вирішенні технологічних завдань
Магазин Gtest(R) пропонує широку
номенклатуру Осцилографів та Аналізаторів Спектру на сторінці сайту в самому
кінці цього Розділу, а також рекомендовані прилади та статті для самоосвіти

Мюррей Словик, Mouser Electronics
Відредаговано 26 грудня 2024 р.
Вимірювальні Інструменти та Прилади дозволяють інженерам бачити та розуміти, що відбувається у різних електронних чи механічних процесах чи системах. Ці пристрої отримують, аналізують та подають дані, дозволяючи інженерам контролювати та керувати обладнанням та вносити всі необхідні виправлення. Під час тестування або створення прототипів вимірювальні прилади дозволяють удосконалити схеми, щоб можна було створювати нові та кращі конструкції.
Оскільки для вирішення завдань проектування, що виникають у різних додатках, необхідні високопродуктивні інструменти з великою функціональністю та зручністю використання, ми розглянемо характеристики, які потрібні цим інструментам для відповідності очікуванням клієнтів, а потім вивчимо важливі властивості одного ключового компонента конструкції - підсилювача вимірювального приладу.
Різні приладові комплекси та інструментарій - різні вимоги
Різні ринки та галузі очікують від інструментів різних характеристик: військовий ринок орієнтований на надійність, споживчий ринок орієнтований на вартість, медичний ринок орієнтований на безпеку, а автомобільний ринок є комбінацією всього перерахованого вище. Тим не менш, все ж таки справедливо відзначити, що нові інструменти, розроблені для задоволення майбутніх вимог, як правило, повинні мати одну або кілька з наступних характеристик:
• Більш висока швидкість: однією з проблем сучасних приладів є збирання великої кількості сигналів без втрат при ефективному видаленні на високій швидкості інформації, закодованої в цих сигналах. Вищі швидкості вимірювання також означають, що має бути достатньо місця для накопичення зібраних даних у пам'яті. Однією з найважливіших характеристик є частота дискретизації, яка пов'язана зі швидкістю, з якою аналого-цифровий перетворювач (АЦП) пристрою здійснює вибірку сигналу.
• Менший розмір: мініатюризація пристроїв є однією з нових тенденцій ринку приладів. Все більше можливостей проектується у дедалі дрібніших конструкціях і без втрати точності вимірювань. Менші форм-фактори потрібні для платформ з великою кількістю каналів, що використовуються для лабораторних стендових випробувань. Мініатюрні прилади легко вбудовуються у великі промислові системи. Прилади, призначені для медичних застосувань, також повинні бути невеликими, щоб зменшити фізичний розмір та вагу пристрою, який надягає пацієнт.
• Нижче енергоспоживання: очікується, що нові пристрої зменшать енергоспоживання без деградації потрібних функцій або збільшення вимог до підсилювача порівняно з попередниками.
• Більш висока стійкість до шуму та фізичних чи електричних перешкод: експлуатаційні вимоги, що вимагають від приладів функціонування в середовищах з можливістю шуму, вібрації та фізичного удару, створюють проблеми для проектувальників. У промислових додатках аналогові вхідні модулі часто повинні отримувати та обробляти сигнали від віддалених датчиків у суворих умовах, що характеризуються екстремальною температурою та вологістю та, можливо, навіть їдкими чи вибухонебезпечними хімікатами. Портативні прилади, які тепер мають майже обов'язкову вимогу мережного інтерфейсу (UI), цілком можуть піддаватися робочому циклу, який включає екстремальні температури, вологість і фізичну напругу.
• Підвищена надійність системи та скорочення простоїв на технічне обслуговування: надійність системи має першорядне значення, оскільки вартість простою через відмову обладнання може бути серйозною. Наприклад, несправний електронний вузол на буровій установці, що працює у відкритому морі, може зайняти більше дня, щоб витягти його та замінити, протягом якого він затримує роботу дорогої глибоководної бурової установки.
• Мінімальні помилки перетворення: одним із прикладів є низький шум квантування. Аналоговий вхід АЦП є безперервним сигналом з нескінченним числом можливих станів. Навпаки, його цифровий вихід є дискретною функцією з різними станами, що визначаються роздільною здатністю пристрою. При перетворенні з аналогового в цифровий частини аналогового сигналу, представлені різним напругою на вході, можуть бути представлені тим же цифровим кодом на виході. В результаті частина інформації втрачається, і сигнал вносяться спотворення. Це відоме як шум квантування.
• Більш висока точність та адекватна смуга пропускання: точність визначається як міра здатності приладу точно показувати значення вимірюваного сигналу. Смуга пропускання описує діапазон частот, у якому вхідний сигнал може проходити через аналоговий вхідний каскад із мінімальною втратою амплітуди.
• Ефективна конструкція охолодження: елементи розсіювання тепла не повинні розміщуватися поблизу чутливих до тепла компонентів, а потік повітря повинен бути достатнім по всьому пристрою.
Після визначення умов експлуатації та технічних характеристик пристрою необхідно ідентифікувати функціональні компоненти пристрою в блоках. Необхідно вибрати відповідні датчики, схеми обробки сигналів, цифрові та пасивні компоненти та джерела живлення. Для задоволення цих потреб потрібна повна специфікація матеріалів (BOM) високопродуктивних компонентів, таких як аналого-цифрові перетворювачі (АЦП) та цифро-аналогові перетворювачі (ЦАП). Перші використовуються для перетворення аналогових сигналів, таких як вихідний сигнал датчика температури, радіо або відеокамери, в цифрові сигнали для обробки. Навпаки, ЦАП використовуються для перетворення цифрових сигналів у аналогові сигнали.
Багато програм вимагають суттєвого узгодження сигналу для зниження шуму, збільшення динамічного діапазону та компенсації нелінійності датчика, перш ніж прилад зможе ефективно та точно виміряти сигнал. Наприклад, узгодження сигналу в аналогових вхідних каскадах медичних приладів є складним завданням проектування виявлення малих сигналів за наявності великих диференціальних потенціалів постійного струму.
Розглянемо електрокардіографію (ЕКГ), отримання та запис електричної активності серця (рисунок 1). Кожна з клітинних мембран, що утворюють зовнішню оболонку серцевої клітини, має пов'язаний із нею заряд, який деполяризується під час кожного серцевого скорочення. Ці імпульси виявляються як крихітні електричні сигнали на шкірі, які можна виявити, перетворити на форму хвилі та посилити за допомогою ЕКГ.

Малюнок 1: Блок-схема пристрою ЕКГ (Джерело: Texas Instruments)
Ключовий елемент процесу інструментальний підсилювач (або вхідний підсилювач) - це спеціалізований тип підсилювача. Зазвичай, це перший компонент на вході вимірювання, тому його продуктивність має вирішальне значення для продуктивності всього приладу.
Як правило, сигнали, отримані від датчиків, мають дуже малі амплітуди і мають бути посилені перед обробкою та відображенням. Простіше кажучи, функція вхідного підсилювача полягає у вилученні невеликого сигналу, що цікавить (диференціального сигналу поверх великого синфазного сигналу) з, скажімо, датчиків тиску або температури та інших джерел сигналу в шумному середовищі і посиленні різниці між двома вхідними напругами сигналу.
Вхідні підсилювачі широко використовуються в медичному устаткуванні, такому як монітори ЕКГ та електроенцефалограми (ЕЕГ), монітори артеріального тиску та дефібрилятори.
Інші приклади застосування інструментальних засобів, де вхідні підсилювачі можуть використовуватися, включають аудіо (наприклад, як мікрофонні передпідсилювачі), посилення високочастотного сигналу в кабельних радіочастотних (РЧ) системах і високошвидкісне узгодження сигналу для відеозображення. Підсилювачі також можуть використовуватися для моніторингу двигуна (для моніторингу та управління швидкістю двигуна, крутним моментом і т. д.) шляхом вимірювання напруги, струмів і фазових співвідношень трифазного двигуна змінного струму.
Основна відмінність між інструментальним підсилювачем та операційним підсилювачем полягає в тому, що операційний підсилювач є пристроєм із розімкненим контуром. Навпаки, підсилювач поставляється з встановленою внутрішньою мережею резисторів зворотного зв'язку, яка ізольована від його вхідних клем. Як і у випадку з операційними підсилювачами, вихідний опір дуже низький.
Вибір підсилювача, який добре підходить для конкретної схеми, потребує чіткого розуміння його характеристик та того, як вони зображені у технічних описах продукту.
Ось кілька властивостей, які визначають високоякісний підсилювач:
• Високий коефіцієнт придушення синфазного сигналу (CMRR): це важливий показник якості інструментального підсилювача. Оскільки ідеальний інструментальний підсилювач виявляє лише різницю у напрузі між входами, будь-які синфазні сигнали (рівні потенціали обох входів) придушуються на вхідному каскаді без посилення. Фактично, наскільки добре інструментальний підсилювач пригнічує синфазний сигнал, вимірюється за допомогою CMRR, який є просто диференціальне посилення інструментального підсилювача, поділене на посилення синфазного сигналу. Як мінімум, CMRR інструментального підсилювача повинен бути високим у діапазоні вхідних частот, які необхідно придушити, і в цілому, більшого значення CMRR краще.
• Низький рівень шуму: оскільки він повинен обробляти дуже низьку вхідну напругу, інструментальний підсилювач не повинен додавати шум до шуму сигналу. Очевидно, що менші значення шуму кращі. Шумові характеристики інструментального підсилювача зазвичай покращуються з посиленням, тому інструментальні підсилювачі слід порівнювати за відповідного посилення.
• Низька вхідна напруга усунення та дрейф напруги усунення: як і у випадку з операційним підсилювачем, у ВП повинна бути низька напруга усунення. Зміщення напруги є джерелом помилки та залежить від топології підсилювача; воно може змінюватись від мікровольт до мілівольт. Підсилювачі змінюють поведінку залежно від температури. Навіть високоточний підсилювач буде схильний до температурного дрейфу. Хоча напругу усунення можна усунути за допомогою зовнішнього підстроювання, дрейф напруги усунення не можна відрегулювати. Як і у випадку з початковим усуненням, дрейф усунення складається з двох компонентів: вхідний і вихідний секції ВП, кожен з яких вносить свою частку помилки. У міру збільшення посилення дрейф усунення вхідного каскаду може стати основним джерелом помилки зміщення.
• Низька помилка посилення: зазвичай вказується як максимальний відсоток і є максимальним відхиленням від ідеального рівняння посилення для конкретного підсилювача. Посилення ІУ або встановлено виробником, або може бути встановлене користувачем за допомогою зовнішнього резистора посилення або шляхом маніпулювання внутрішніми резисторами через деякі контакти ІУ. Зміни у значеннях резисторів та температурних градієнтах серед резисторних ланцюгів можуть сприяти помилці посилення.
• Низька нелінійність: хоча помилки усунення вхідного сигналу можна виправити, нелінійність є невід'ємним обмеженням продуктивності і не може бути усунена зовнішнім регулюванням. Нелінійність зазвичай вказується як відсоток від повної шкали, де виробник вимірює помилку підсилювача на плюсовому та мінусовому напрузі повної шкали та нулі. Низька нелінійність має бути спроектована виробником.
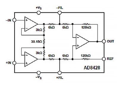
Давайте розглянемо пару реальних прикладів, знайдених у розділі «Новинки» на Mouser.com. Вхідний підсилювач AD8428 компанії Analog Devices призначений для точного виміру крихітних високошвидкісних сигналів. Стверджується, що пристрій забезпечує провідну в галузі точність посилення (0,2 відсотка), шум та смугу пропускання.
ADI AD8428 (рисунок 2) має фіксований коефіцієнт посилення 2000 і є одним із найшвидших у галузі вхідних підсилювачів. Високий коефіцієнт послаблення синфазного сигналу (мінімум 130 дБ) AD8428 запобігає спотворенню даних збору небажаними сигналами. Розпинання деталі розроблено таким чином, щоб уникнути паразитних ємнісних невідповідностей, які можуть погіршити коефіцієнт ослаблення синфазного сигналу на високих частотах. Говорять, що цей пристрій ADI добре підходить для використання в інтерфейсі датчиків, медичних приладах та програмах для моніторингу стану пацієнтів.

Рисунок 2: Функціональний блок для AD8428 (Джерело: Analog Devices)
Прецизійні вимірювальні підсилювачі INA826 компанії Texas Instruments забезпечують надзвичайно низьке енергоспоживання і працюють у дуже широкому діапазоні одинарного або подвійного живлення. Коефіцієнт придушення синфазного сигналу перевищує 84 дБ у всьому діапазоні вхідного синфазного сигналу від негативного живлення до 1 В позитивного живлення. Використовуючи вихід rail-to-rail, TI INA826 добре підходить для роботи за низької напруги від одинарного живлення 2,7 В, а також від подвійного живлення до ±18 В. Вимірювальні підсилювачі INA826 компанії TI призначені для використання в різних додатках, зокрема в управлінні промисловими процесами, автоматичних вимикачах, тестуванні батарей і підсилювачах ЕКГ. Важливо ретельно дотримуватися цих кроків, щоб отримати точні результати випробувань і запобігти будь-яким нещасним випадкам під час процесу випробувань. Для додаткового захисту зверніться за порадою до професіонала або дотримуйтесь конкретної програми безпеки на вашому робочому місці, яка застосовується до процесу.
Висновок
Щоб відповідати завданням проектування, які ставлять різні галузі на ринку, електронні та вимірювальні прилади розширюють межі продуктивності, потужності та інтегрованих функцій. Ми представили характеристики, необхідні сучасним приладам для відповідності очікуванням клієнтів, та розглянули важливі властивості інструментального підсилювача.
Mouser Electronics має великий портфель підсилювачів та інших деталей та ресурсів проектування, доступних для допомоги інженеру, якому доручено отримання, моніторинг, керування або вимірювання різних сигналів, процесів та протоколів.
Магазин
Gtest® - авторизований постачальник осцилографів в Україну: https://gtest.com.ua/izmeritelnye-pribory/ostcillografy
