Приборостроение возлагает на себя ответственность при проектировании и решении технологических задач
Магазин Gtest(R)
предлагает широкую номенклатуру Осциллографов и Анализаторов Спектра на приводимой
страничке сайта в самом конце настоящего Раздела, а также
рекомендуемые приборы и статьи для самообразования

Мюррей Словик, Mouser Electronics
Отредактировано 26 декабря 2024 г.
Измерительные Инструменты и Приборы позволяют инженерам видеть и понимать, что происходит в различных электронных или механических процессах или системах. Эти устройства получают, анализируют и представляют данные, позволяя инженерам контролировать и управлять оборудованием и вносить все необходимые исправления. Во время тестирования или создания прототипов, измерительные приборы позволяют усовершенствовать схемы, чтобы можно было создавать новые и лучшие конструкции.
Поскольку для решения задач проектирования, возникающих в различных приложениях, необходимы высокопроизводительные инструменты с обширной функциональностью и удобством использования, мы рассмотрим характеристики, которые требуются этим самым инструментам для соответствия ожиданиям клиентов, а затем изучим важные свойства одного ключевого компонента конструкции — усилителя измерительного прибора.
Разные приборные комплексы и инструментарий, - разные требования
Различные рынки и отрасли ожидают от инструментов разных характеристик: военный рынок ориентирован на надёжность, потребительский рынок ориентирован на стоимость, медицинский рынок ориентирован на безопасность, а автомобильный рынок представляет собой комбинацию всего вышеперечисленного. Тем не менее, все же справедливо отметить, что новые инструменты, разработанные для удовлетворения будущих требований, как правило, должны иметь одну или несколько из следующих характеристик:
• Более высокая скорость: одной из проблем современных приборов является сбор большого количества сигналов без потерь при эффективном извлечении на высокой скорости информации, закодированной в этих сигналах. Более высокие скорости измерения также означают, что должно быть достаточно места для накопления собранных данных в памяти. Одной из важнейших характеристик является частота дискретизации, которая связана со скоростью, с которой аналого-цифровой преобразователь (АЦП) устройства производит выборку сигнала.
• Меньший размер: миниатюризация устройств является одной из новых тенденций на рынке приборов. Все больше возможностей проектируются во все более мелких конструкциях и без потери точности измерений. Меньшие форм-факторы востребованы для платформ с большим количеством каналов, используемых для лабораторных стендовых испытаний. Миниатюрные приборы легче встраиваются в крупные промышленные системы. Приборы, предназначенные для медицинских применений, также должны быть небольшими, чтобы уменьшить физический размер и вес устройства, надеваемого пациентом.
• Более низкое энергопотребление: ожидается, что новые устройства снизят энергопотребление без деградации требуемых функций или увеличения требований к усилителю по сравнению с их предшественниками.
• Более высокая устойчивость к шуму и физическим или электрическим помехам: эксплуатационные требования, требующие от приборов функционирования в средах с возможностью шума, вибрации и физического удара, создают проблемы для проектировщиков. В промышленных приложениях аналоговые входные модули часто должны получать и обрабатывать сигналы от удалённых датчиков в суровых условиях, характеризующихся экстремальной температурой и влажностью и, возможно, даже едкими или взрывоопасными химикатами. Портативные приборы, которые теперь имеют почти обязательное требование сетевого пользовательского интерфейса (UI), вполне могут подвергаться рабочему циклу, который включает экстремальные температуры, влажность и физическое напряжение.
• Повышенная надежность системы и сокращение простоев на техническое обслуживание: надёжность системы имеет первостепенное значение, поскольку стоимость простоя из-за отказа оборудования может быть серьёзной. Например, неисправный электронный узел на буровой установке, работающей в открытом море, может занять более дня, чтобы извлечь его и заменить, в течение которого он задерживает работу дорогостоящей глубоководной буровой установки.
• Минимальные ошибки преобразования: одним из примеров является низкий шум квантования. Аналоговый вход АЦП представляет собой непрерывный сигнал с бесконечным числом возможных состояний. Напротив, его цифровой выход является дискретной функцией с различными состояниями, определяемыми разрешением устройства. При преобразовании из аналогового в цифровой, части аналогового сигнала, представленные различным напряжением на входе, могут быть представлены тем же цифровым кодом на выходе. В результате часть информации теряется, и в сигнал вносятся искажения. Это известно как шум квантования.
• Более высокая точность и адекватная полоса пропускания: точность определяется как мера способности прибора точно показывать значение измеренного сигнала. Полоса пропускания описывает диапазон частот, в котором входной сигнал может проходить через аналоговый входной каскад с минимальной потерей амплитуды.
• Эффективная конструкция охлаждения: элементы рассеивания тепла не должны размещаться вблизи компонентов, чувствительных к теплу, а поток воздуха должен быть достаточным по всему устройству.
После определения условий эксплуатации и технических характеристик прибора необходимо идентифицировать функциональные компоненты устройства в блоках. Необходимо выбрать подходящие датчики, схемы обработки сигналов, цифровые и пассивные компоненты и источники питания. Для удовлетворения этих потребностей требуется полная спецификация материалов (BOM) высокопроизводительных компонентов, таких как аналого-цифровые преобразователи (АЦП) и цифро-аналоговые преобразователи (ЦАП). Первые используются для преобразования аналоговых сигналов, таких как выходной сигнал датчика температуры, радиоприемника или видеокамеры, в цифровые сигналы для обработки. Наоборот, ЦАП используются для преобразования цифровых сигналов обратно в аналоговые сигналы.
Многие приложения требуют существенного согласования сигнала для снижения шума, увеличения динамического диапазона и компенсации нелинейности датчика, прежде чем прибор сможет эффективно и точно измерить сигнал. Например, согласование сигнала в аналоговых входных каскадах медицинских приборов представляет собой сложную задачу проектирования обнаружения малых сигналов при наличии больших дифференциальных потенциалов постоянного тока.
Рассмотрим электрокардиографию (ЭКГ), получение и запись электрической активности сердца (рисунок 1). Каждая из клеточных мембран, образующих внешнюю оболочку сердечной клетки, имеет связанный с ней заряд, который деполяризуется во время каждого сердечного сокращения. Эти импульсы проявляются как крошечные электрические сигналы на коже, которые можно обнаружить, преобразовать в форму волны и усилить с помощью ЭКГ.

Рисунок 1: Блок-схема устройства ЭКГ (Источник: Texas Instruments)
Ключевой элемент процесса, инструментальный усилитель (или входной усилитель) — это специализированный тип усилителя. Обычно это первый компонент на входе измерения, поэтому его производительность имеет решающее значение для производительности всего прибора.
Как правило, сигналы, полученные от датчиков, имеют очень малые амплитуды и должны быть усилены перед обработкой и отображением. Проще говоря, функция входного усилителя заключается в извлечении небольшого интересующего сигнала (дифференциального сигнала поверх большого синфазного сигнала) из, скажем, датчиков давления или температуры и других источников сигнала в шумной среде и усилении разницы между двумя входными напряжениями сигнала.
Входные усилители широко используются в медицинском оборудовании, таком как мониторы ЭКГ и электроэнцефалограммы (ЭЭГ), мониторы артериального давления и дефибрилляторы.
Другие примеры применения инструментальных средств, где входные усилители могут использоваться, включают аудио (например, в качестве микрофонных предусилителей), усиление высокочастотного сигнала в кабельных радиочастотных (РЧ) системах и высокоскоростное согласование сигнала для видеоизображения. Усилители также могут использоваться для мониторинга двигателя (для мониторинга и управления скоростью двигателя, крутящим моментом и т. д.) путем измерения напряжений, токов и фазовых соотношений трехфазного двигателя переменного тока.
Основное различие между инструментальным усилителем и операционным усилителем заключается в том, что операционный усилитель является устройством с разомкнутым контуром. Напротив, усилитель поставляется с предустановленной внутренней сетью резисторов обратной связи, которая изолирована от его входных клемм. Как и в случае с операционными усилителями, выходное сопротивление очень низкое.
Выбор усилителя, который хорошо подходит для конкретной схемы, требует чёткого понимания его характеристик и того, как они изображены в технических описаниях продукта.
Вот несколько свойств, которые определяют высококачественный усилитель:
• Высокий коэффициент подавления синфазного сигнала (CMRR): это важный показатель качества для инструментального усилителя. Поскольку идеальный инструментальный усилитель обнаруживает только разницу в напряжении между входами, любые синфазные сигналы (равные потенциалы для обоих входов) подавляются на входном каскаде без усиления. Фактически, насколько хорошо инструментальный усилитель подавляет синфазный сигнал, измеряется с помощью CMRR, который представляет собой просто дифференциальное усиление инструментального усилителя, деленное на усиление синфазного сигнала. Как минимум, CMRR инструментального усилителя должен быть высоким в диапазоне входных частот, которые необходимо подавить, и в целом, большее значение CMRR лучше.
• Низкий уровень шума: поскольку он должен обрабатывать очень низкие входные напряжения, инструментальный усилитель не должен добавлять свой шум к шуму сигнала. Очевидно, что меньшие значения шума лучше. Шумовые характеристики инструментального усилителя обычно улучшаются с усилением, поэтому инструментальные усилители следует сравнивать при соответствующем усилении.
• Низкое входное напряжение смещения и дрейф напряжения смещения: как и в случае с операционным усилителем, у ИУ должно быть низкое напряжение смещения. Смещение напряжения является источником ошибки и зависит от топологии усилителя; оно может варьироваться от микровольт до милливольт. Усилители меняют поведение в зависимости от температуры. Даже высокоточный усилитель будет подвержен температурному дрейфу. Хотя напряжение смещения можно устранить с помощью внешней подстройки, дрейф напряжения смещения нельзя отрегулировать. Как и в случае с начальным смещением, дрейф смещения состоит из двух компонентов: входной и выходной секции ИУ, каждый из которых вносит свою долю ошибки. По мере увеличения усиления дрейф смещения входного каскада может стать основным источником ошибки смещения.
• Низкая ошибка усиления: обычно указывается как максимальный процент и представляет собой максимальное отклонение от идеального уравнения усиления для конкретного усилителя. Усиление ИУ либо предустановлено производителем, либо может быть установлено пользователем с помощью внешнего резистора усиления или путем манипулирования внутренними резисторами через некоторые контакты ИУ. Изменения в значениях резисторов и температурных градиентах среди резисторных цепей могут способствовать ошибке усиления.
• Низкая нелинейность: хотя ошибки смещения входного сигнала можно исправить, нелинейность является неотъемлемым ограничением производительности и не может быть устранена внешней регулировкой. Нелинейность обычно указывается как процент от полной шкалы, где производитель измеряет ошибку усилителя на плюсовом и минусовом напряжении полной шкалы и нуле. Низкая нелинейность должна быть спроектирована производителем.
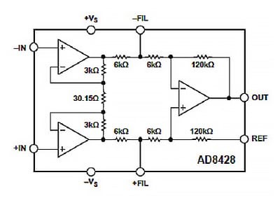
Давайте теперь рассмотрим пару реальных примеров, найденных в разделе «Новинки» на Mouser.com. Входной усилитель AD8428 компании Analog Devices предназначен для точного измерения крошечных высокоскоростных сигналов. Утверждается, что устройство обеспечивает ведущую в отрасли точность усиления (0,2 процента), шум и полосу пропускания.
ADI AD8428 (рисунок 2) имеет фиксированный коэффициент усиления 2000 и является одним из самых быстрых в отрасли входных усилителей. Высокий коэффициент ослабления синфазного сигнала (минимум 130 дБ) AD8428 предотвращает искажение данных сбора нежелательными сигналами. Распиновка детали разработана таким образом, чтобы избежать паразитных ёмкостных несоответствий, которые могут ухудшить коэффициент ослабления синфазного сигнала на высоких частотах. Говорят, что это устройство ADI хорошо подходит для использования в интерфейсе датчиков, медицинских приборах и приложениях для мониторинга состояния пациентов.

Рисунок 2: Функциональный блок для AD8428 (Источник: Analog Devices)
Прецизионные измерительные усилители INA826 компании Texas Instruments обеспечивают чрезвычайно низкое энергопотребление и работают в очень широком диапазоне одинарного или двойного питания. Коэффициент подавления синфазного сигнала превышает 84 дБ во всем диапазоне входного синфазного сигнала от отрицательного питания до 1 В положительного питания. Используя выход rail-to-rail, TI INA826 хорошо подходит для работы при низком напряжении от одинарного питания 2,7 В, а также от двойного питания до ±18 В. Измерительные усилители INA826 компании TI предназначены для использования в различных приложениях, включая управление промышленными процессами, автоматические выключатели, тестирование батарей и усилители ЭКГ.
Заключение
Чтобы соответствовать задачам проектирования, которые ставят различные отрасли на рынке, электронные и измерительные приборы расширяют границы производительности, мощности и интегрированных функций. Мы представили характеристики, необходимые современным приборам для соответствия ожиданиям клиентов, и рассмотрели важные свойства инструментального усилителя.
Mouser Electronics имеет большой портфель усилителей и других деталей и ресурсов проектирования, доступных для помощи инженеру, которому поручено получение, мониторинг, управление или измерение различных сигналов, процессов и протоколов.
Магазин
Gtest® - авторизованный поставщик осциллографов в Украину: https://gtest.com.ua/izmeritelnye-pribory/ostcillografy
